EasyManua.ls Logo

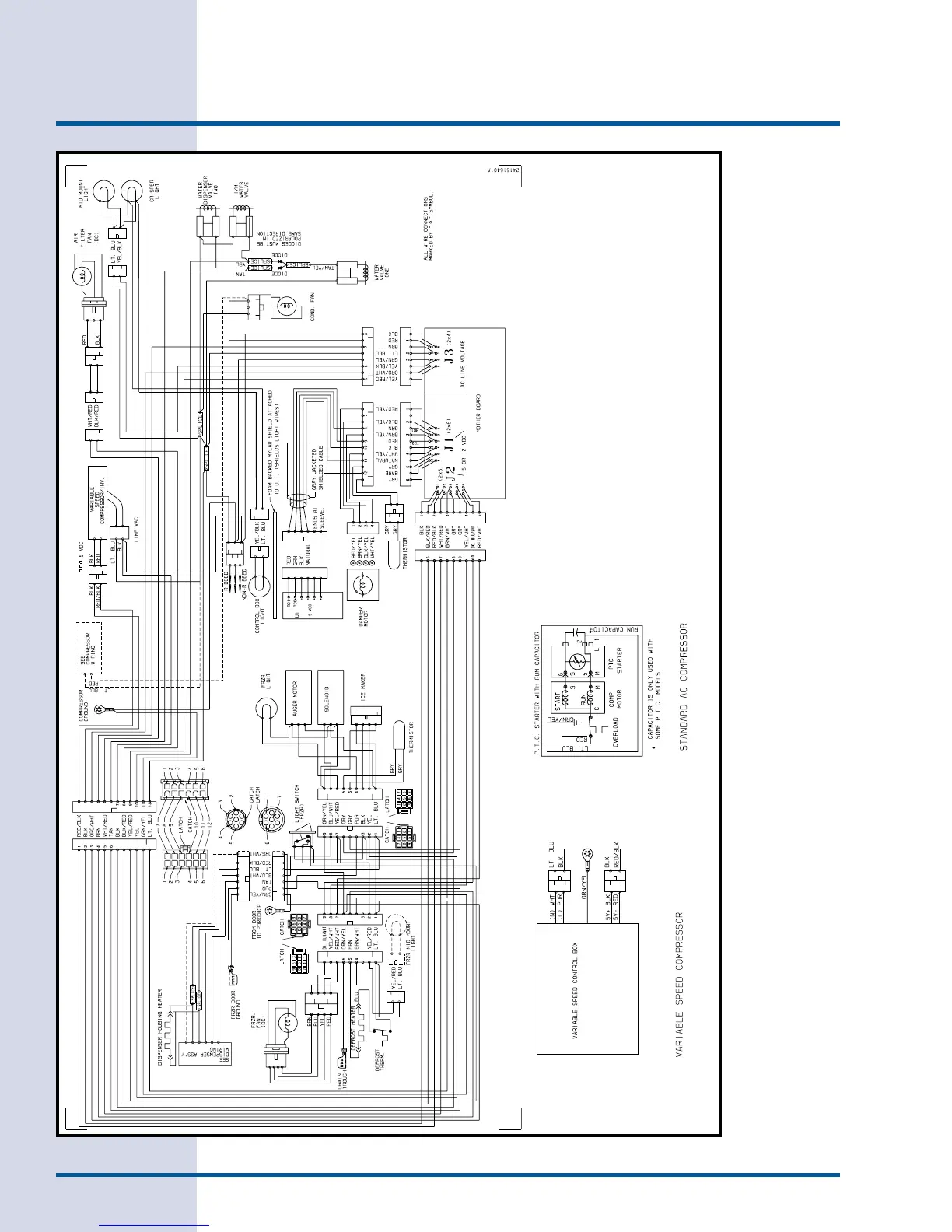
Electrolux Side-By-Side Refrigerator - Section C - Wiring Diagrams; Wiring Diagrams

Electrolux Side-By-Side Refrigerator
137 pages
Print Icon
To Next Page IconTo Next Page
To Next Page IconTo Next Page
To Previous Page IconTo Previous Page
To Previous Page IconTo Previous Page
Loading...
34
Section C - Wiring Diagrams

Table of Contents

Other manuals for Electrolux Side-By-Side Refrigerator

Related product manuals