EasyManua.ls Logo

Elkron MP110 - Page 34

Elkron MP110
68 pages
Print Icon
To Next Page IconTo Next Page
To Next Page IconTo Next Page
To Previous Page IconTo Previous Page
To Previous Page IconTo Previous Page
Loading...
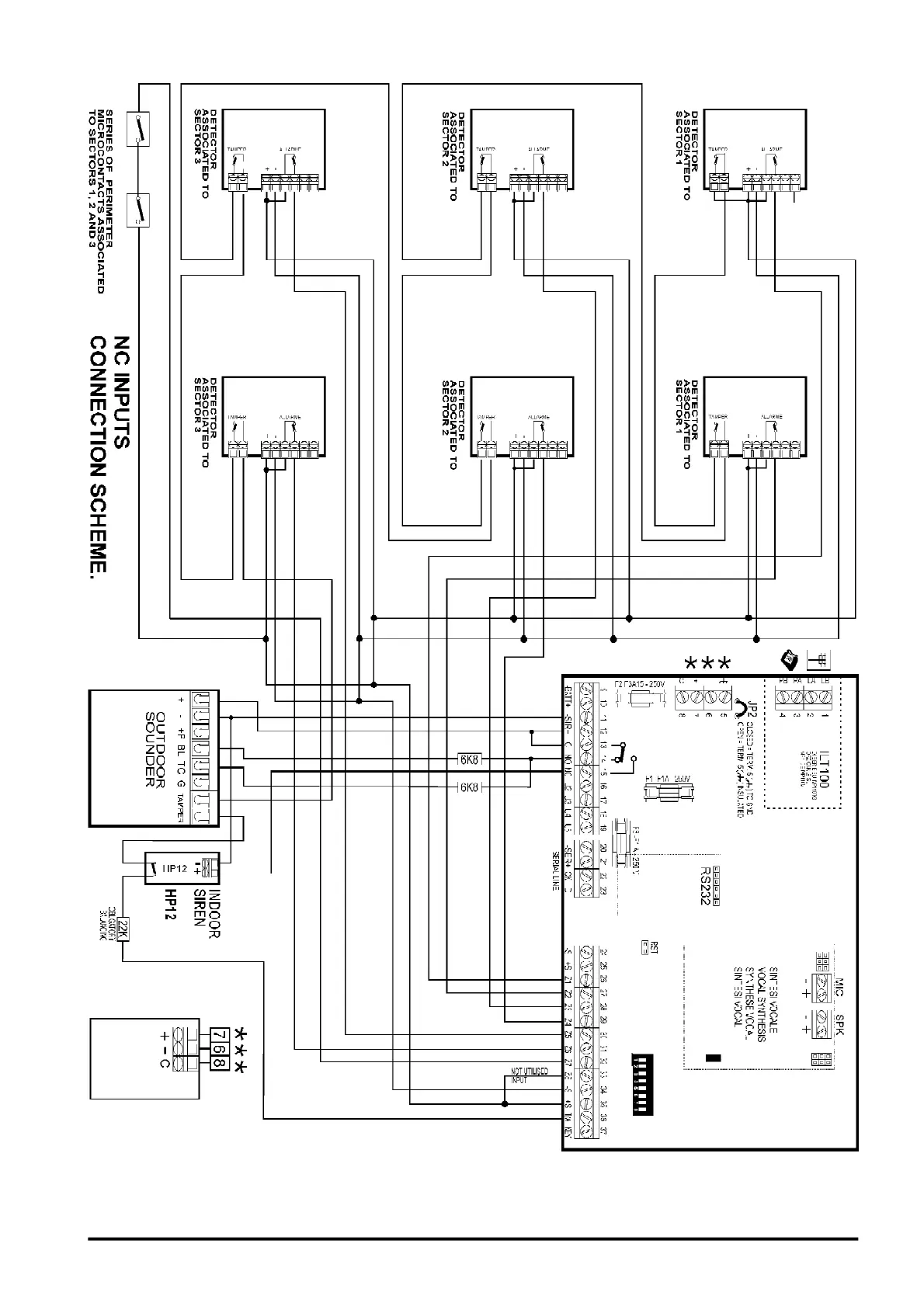
(((ELKRON))) - MP110
PS515
Note:
PS28 power
supply is
without "C"
terminal

Related product manuals