EasyManua.ls Logo

Elkron MP110 - Page 35

Elkron MP110
68 pages
Print Icon
To Next Page IconTo Next Page
To Next Page IconTo Next Page
To Previous Page IconTo Previous Page
To Previous Page IconTo Previous Page
Loading...
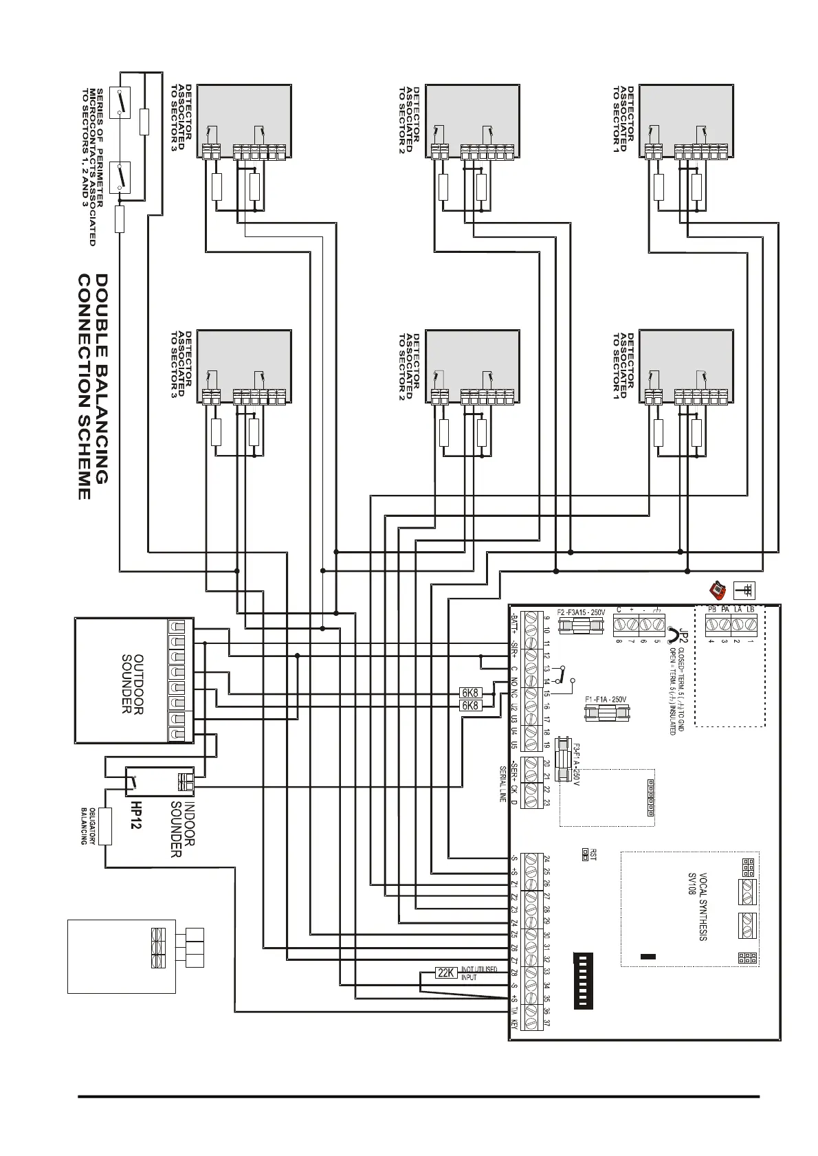
(((ELKRON))) - MP110
Note:
PS28 power
supply is
without "C"
terminal
M
I
C
S
P
K
1
5
2
6
3
7
4
8
O
N
O
N
7
6
8
TC
TC
TC
TC
TC
TC
-
-
-
-
-
-
+
+
+
+
+
+
TAMPERTAMPERTAMPER
TAMPERTAMPERTAMPER
ALLARME
ALLARMEALLARME
ALLARME
ALLARMEALLARME
-
C
PS1
0
8
/
PS2
2
+
-
+
-
+
+ - +P BL TC G
TAMPER
-
+
HP12
T
T
L
R
S
2
3
2
I
L
T
1
0
0
M
P
1
1
0
T
G
p
o
w
e
r
s
u
p
p
l
y
u
n
i
t
22K
22K
22K
2
2
K
22K
22K
22K
22K
22K
22K
22K
22K
22K
22K
*
*
*
22K
*
*
*
PS515

Related product manuals