EasyManua.ls Logo

Elnec JetProg - Page 154

Elnec JetProg
183 pages
Print Icon
To Next Page IconTo Next Page
To Next Page IconTo Next Page
To Previous Page IconTo Previous Page
To Previous Page IconTo Previous Page
Loading...
ELNEC s. r. o.
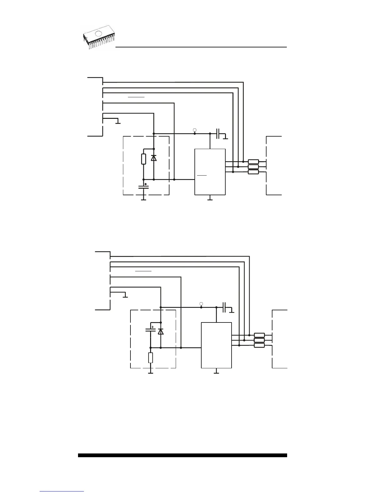
ELNEC’s recommended circuit for ATMEL AVR:
ISP connector target device target system
reset circuit
R2
22k
R3
22k
G
N
D
C1
22n
G
N
D
VCC
GND
D2
1N4148
GND
R4
100k
C2
1u/10V
VCC
SCK
MISO
RESET
GND
I1
AT M E L AV R
DATA OUT
SCK
VCC
RESET
R1
22k
MOSI
DATA I
N
ELNEC’s recommended circuit for AT89Sxxx:
ISP connector target device target system
reset circuit
R2
22k
R3
22k
G
N
D
C1
22n
G
N
D
VCC
GND
D2
1N4148
GND
VCC
SCK
MISO
GND
I1
AT89Sxxx
DATA OUT
SCK
VCC
RESET
R1
22k
MOSI
DATA I
N
R4
100k
C2
1u/10V
RST
154

Table of Contents