EasyManua.ls Logo

EM TEST CWS 500D - Appendix; Blockdiagram

EM TEST CWS 500D
34 pages
Print Icon
To Next Page IconTo Next Page
To Next Page IconTo Next Page
To Previous Page IconTo Previous Page
To Previous Page IconTo Previous Page
Loading...
EM Test CWS500 D
User manual V 1.07 33 / 34
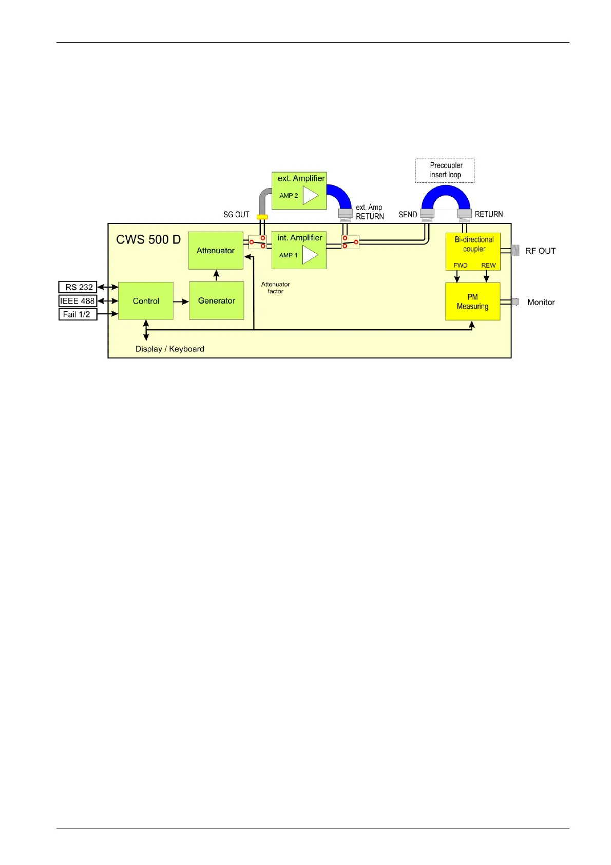
10. Appendix
10.1. Blockdiagram
Blockdiagram CWS 500 D
Fig 10.1

Related product manuals