EasyManua.ls Logo

Emerson Mentor MP - Page 119

Emerson Mentor MP
222 pages
To Next Page IconTo Next Page
To Next Page IconTo Next Page
To Previous Page IconTo Previous Page
To Previous Page IconTo Previous Page
Loading...
Menu
8
Parameter
Parameter
description
protocol
Performance
structure
Keypad and
format
Advanced
parameter
descriptions
Serial comms
Figure
5-25
Menu
8
logic
diagram
(cont)
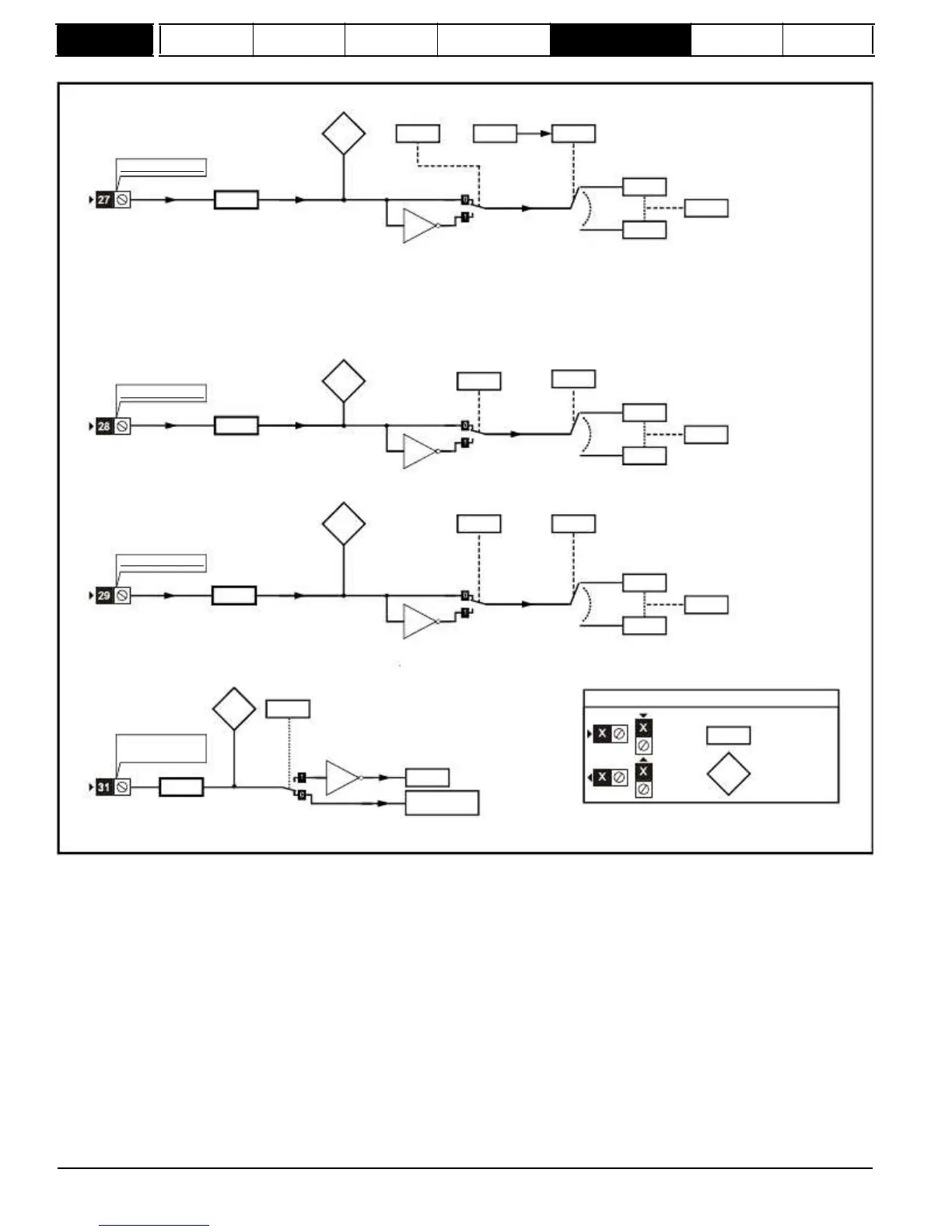
T27 digital input 4
T27 digital
input 4 state
8.04
T27 digital
input 4 invert
8.14
Stop/start
logic select
6.04
T27 digital input 4
destination
8.24
Any
unprotected
bit
parameter
8.29
I.O polarity
select
x(-1)
??.??
??.??
Run reverse
6.32
T28 digital input 5
T29 digital input 6
T28 digital
input 5 state
8.29
I.O polarity
select
T29 digital
input 6 state
8.05
8.06
x(-1)
T28 digital
input 5 invert
8.15
T29 digital
input 6 invert
8.16
T28 digital
input 5
destination
8.25
T29 digital
input 6
destination
8.26
Any
unprotected
bit
parameter
??.??
??.??
Any
unprotected
bit
parameter
Analog input 1 /
input 2 select
1.41
8.29
I.O polarity
select
Drive enable
mode select
Drive enable
indicator
8.09
8.10
x(-1)
??.??
??.??
Jog forward
6.31
Key
Drive enable
8.29
x(-1)
External trip
10.32
Input
terminals
Output
terminals
0.XX
0.XX
Read-write (RW)
parameter
Read-only (RO)
parameter
I.O polarity
select
Drive enable
This logic diagram applies only when all
parameters are at their default settings
116
Mentor MP Advanced User Guide
www.onxcontrol.com
Issue Number: 4

Table of Contents

Other manuals for Emerson Mentor MP

Related product manuals