EasyManua.ls Logo

Emerson Mentor MP - Page 120

Emerson Mentor MP
222 pages
To Next Page IconTo Next Page
To Next Page IconTo Next Page
To Previous Page IconTo Previous Page
To Previous Page IconTo Previous Page
Loading...
Parameter
description
protocol
Performance
Menu
8
Relay
Drive
Relay
enable
Parameter
structure
Keypad and
format
Advanced
parameter
descriptions
Serial comms
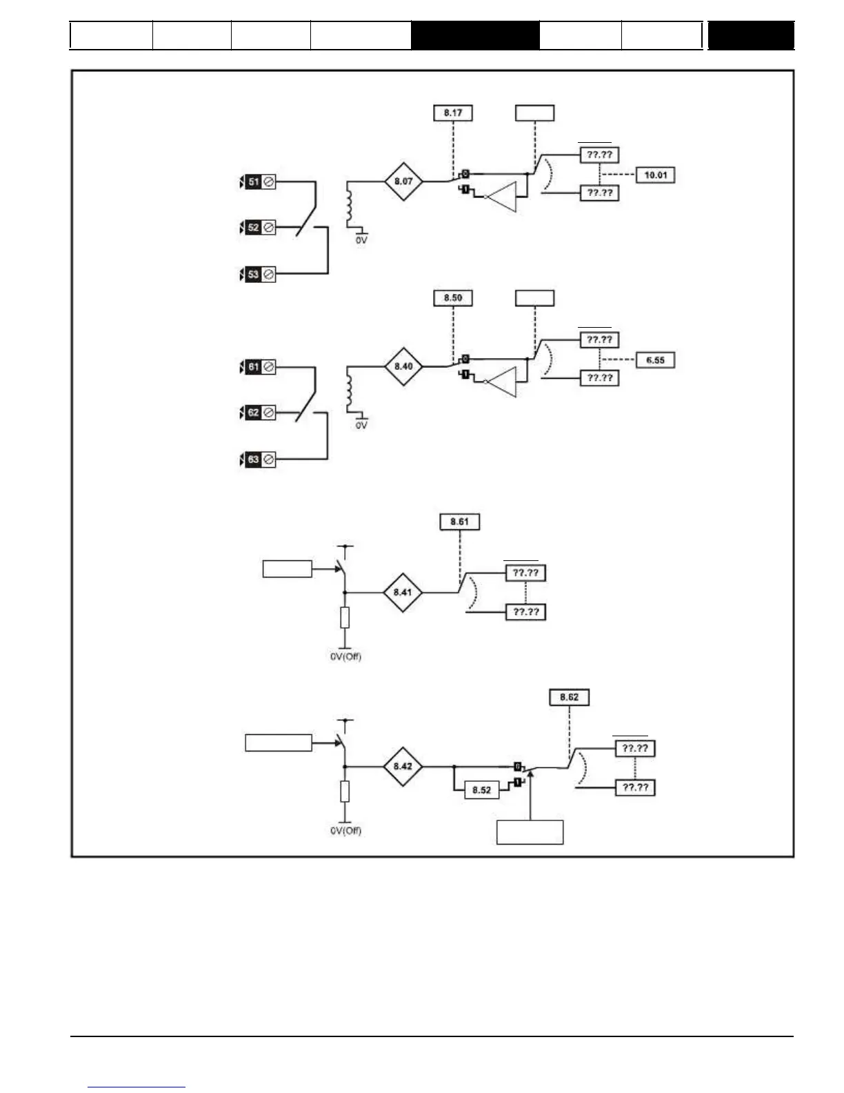
Figure
5-26
Menu
8
logic
diagram
(cont)
Relay source
invert
Relay
source
8.27
Relay 1
Any bit
paramete
r
state
Healthy
x(-1)
Relay source
invert
Relay
source
8.60
Relay 2
Any bit
paramete
r
state
Contactor
x(-1)
Destination
5V (On)
Start Key
I/O
state
Any bit
paramete
r
Destination
5V (On)
Reverse Key
I/O
state
Any bit
paramete
r
Toggle enable
Pr
8.52
Mentor MP Advanced User Guide
117
Issue Number: 4
www.onxcontrol.com

Table of Contents

Other manuals for Emerson Mentor MP

Related product manuals