EasyManua.ls Logo

Emerson ZX Platform Condensing Unit - ZXD Condensing Unit Wiring Diagram (With Fan Speed Control)

Emerson ZX Platform Condensing Unit
52 pages
Print Icon
To Next Page IconTo Next Page
To Next Page IconTo Next Page
To Previous Page IconTo Previous Page
To Previous Page IconTo Previous Page
Loading...
ZX Platform Condensing Unit
44
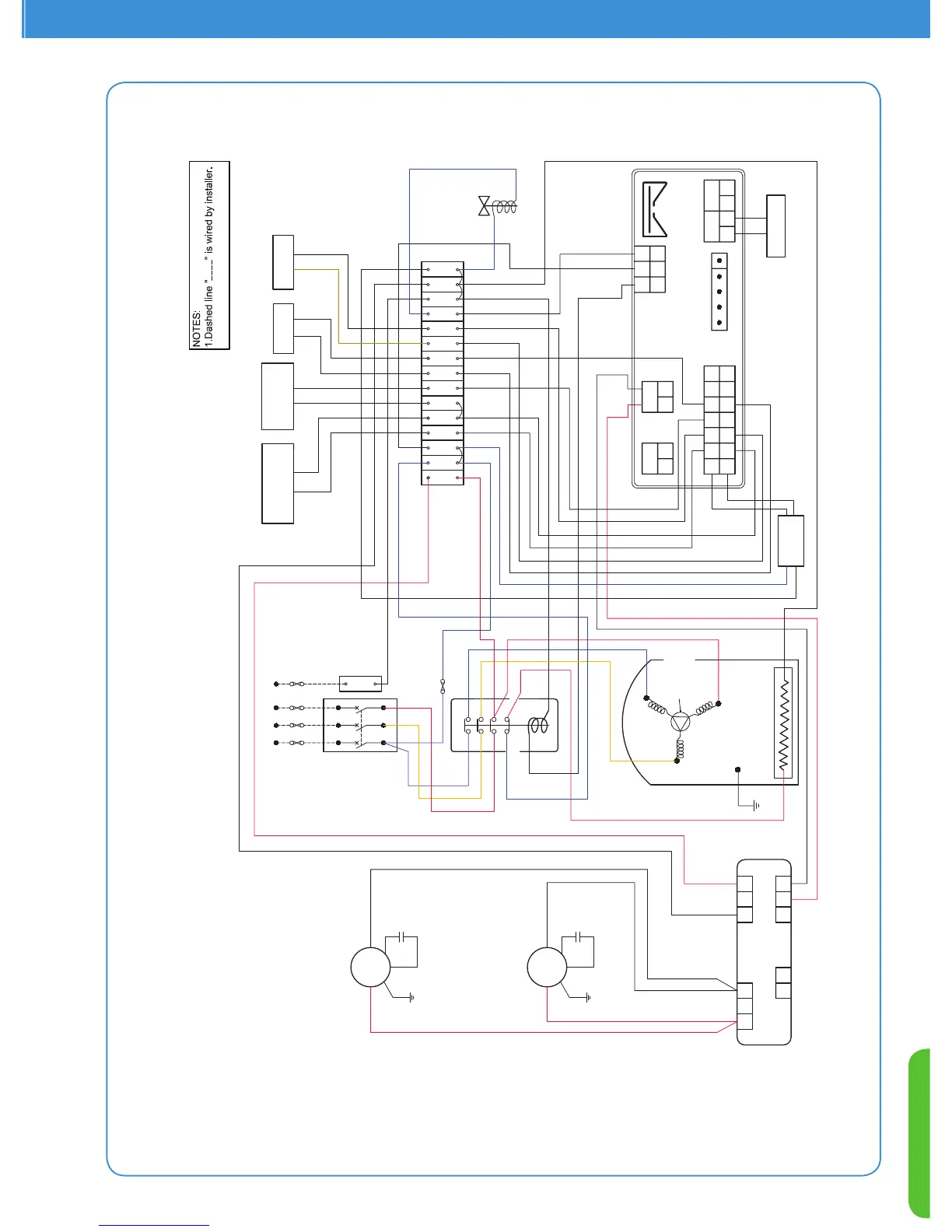
ZXD Condensing Unit Wiring Diagram (With Fan Speed Control Function)
TFD - 380/420V, 50Hz, 3Ph
TF7 - 380V, 60Hz, 3Ph
052-2662-00
2012-02-15
9 11 N10 NN
Terminal
Block
T1
L1
Aux 21N/C
22N/C
A1
A2
Blue
Blue
Red
Blue
Red
Contactor
Red
T2
L2
T3
L3
Yellow
Yellow
Circuit
Breaker
"I"
U
VW
135
246
Fuse
(2A/250V)
Transformer
Output:
12VAC
COMP'R
1
2
Crankcase Heater
T1(U)
T2(V)
T3(W)
Internal motor
protector
E
Black
ATTENTION:Unit MUST be grounded!
Notes:
Dashed line " " is wired by installer.
Capacitor1
Black
E
M1
White
White
E
M2
Black
Capacitor2
White
White
Red
Black
N
N
Black
21 22
+ -+ -
23
24
1
2
3
4
5
6
7
8
9
10
11
12
13
14
15
16
17
18
19
20
Compressor DLT
Sensor
COND. Mid
Coil Temp.
Sensor
Pressure
Transducer
HP Switch
25 26
- +
27 28
- +
PWM Valve
LP Switch
Out
0~10V
4~20mA
Hot KeY / TTL
HP i2F
Pb3Pb1Pb2
LP
Id3Id1
1
3
10
12
22
23
24
15 16
12
White
6 87
4
5
1 32
Input:
230VAC
Blue
Blue
Digital Scroll
Controller
Fan Speed Controller
Brown
ZXD Condensing Unit Wiring Diagram
(With Fan Speed Control Function)
TFD: 380V/420V -50 Hz-3Ph
TF7: 380V-60 Hz-3Ph
ATTENTION: Unit MUST be grounded!

Table of Contents

Related product manuals