EasyManua.ls Logo

Emerson ZX Platform Condensing Unit - Page 46

Emerson ZX Platform Condensing Unit
52 pages
Print Icon
To Next Page IconTo Next Page
To Next Page IconTo Next Page
To Previous Page IconTo Previous Page
To Previous Page IconTo Previous Page
Loading...
43
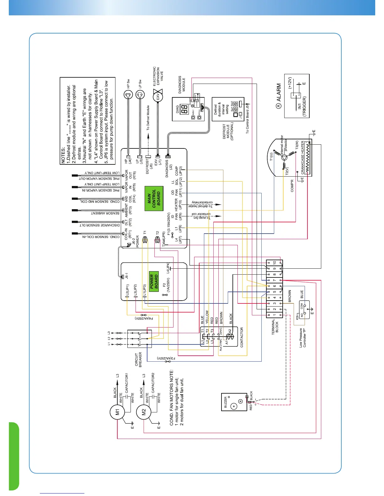
ZX/ZXL Condensing Unit Wiring Diagram
TF5: 200/230V- 50 Hz/ 60 Hz - 3Ph
ATTENTION: Unit MUST be grounded!

Table of Contents

Related product manuals