EasyManua.ls Logo

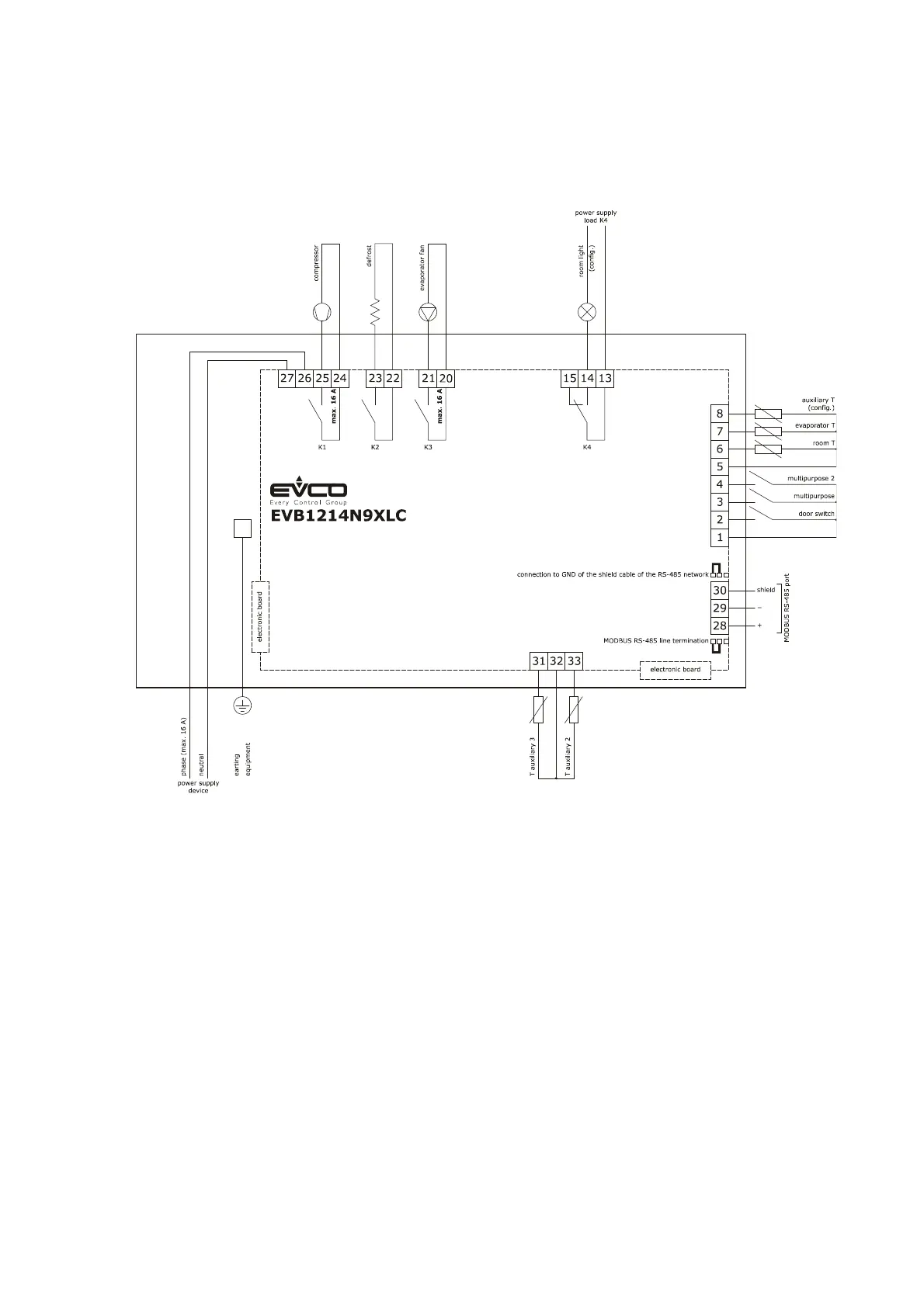
Evco EVBOX1 EVB1206 - Electric connection for models with data logging extension for EN 12830 standard compliance (example for EVB1214 N9 XLC)

Evco EVBOX1 EVB1206
100 pages
Print Icon
To Next Page IconTo Next Page
To Next Page IconTo Next Page
To Previous Page IconTo Previous Page
To Previous Page IconTo Previous Page
Loading...
EVCO S.p.A.
EVBOX1 | Installation guide ver. 2.0 | Code 144BOX1E204
page 22 of 100
4.7 Electric connection for models with data logging extension for EN 12830
standard compliance (example for EVB1214N9XLC)
The following drawing shows the electric connections for models with data logging for EN 12830 standard compliance (example
EVB1214N9XLC).

Table of Contents

Related product manuals