EasyManua.ls Logo

F.u.n.k.e. FSG 90 - Page 23

F.u.n.k.e. FSG 90
81 pages
Print Icon
To Next Page IconTo Next Page
To Next Page IconTo Next Page
To Previous Page IconTo Previous Page
To Previous Page IconTo Previous Page
Loading...
FSG 90 System
3 Installation
December 2014 FAV_D10024 17
100 µF
Dyn. microphone/s or
amp/carbon microphone/s
Audio Mic
DO NOT wire other
pins than noted!
Equivalent
resistor
4 Ω / 5 Watt
18
5
6
4
1
13
2
14
17
7
23
11
12
10
25
3
Amplified/Carbon Microphone
Dynamic Microphone (HI)
Dynamic Microphone (LO)
AF External
Loudspeaker OUT
Power Ground
Headphone (HI) OUT
Microphone GND
Push-to Talk Switch
Intercom
Display Lighting (HI)
+13.8 Vdc Power
+13.8 Vdc Power
Display Lighting (LO)
Power Ground
Headphone (LO) OUT
FSG 90(X)
Antenna
51 Ω
560 Ω
Audio
Phone
Audio Speaker
Headphone 4 - 600 Ω
Power Supply
13.8 /14.0 Vdc
at least 5 A
+
-
A
V
Audio Mic
Audio Gen
Amp Mic (open)
Dyn. Mic
DA-25S
UG88C/U
Amp Mic
Dyn. Mic
Audio Gen
Speaker 2-200 Ω
ROHDE & SCHWARZ
RADIOCOMMUNICATION
TESTER CMT/CMTA
Always turn OFF the radio first before connecting or disconnecting the D-SUB connector
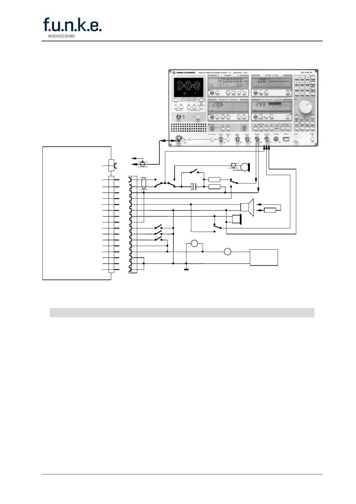
Fig. 3-2: FSG 90 System
Test Set-up using CMT/CMTA

Table of Contents

Related product manuals