EasyManua.ls Logo

F.u.n.k.e. FSG 90 - Page 32

F.u.n.k.e. FSG 90
81 pages
Print Icon
To Next Page IconTo Next Page
To Next Page IconTo Next Page
To Previous Page IconTo Previous Page
To Previous Page IconTo Previous Page
Loading...
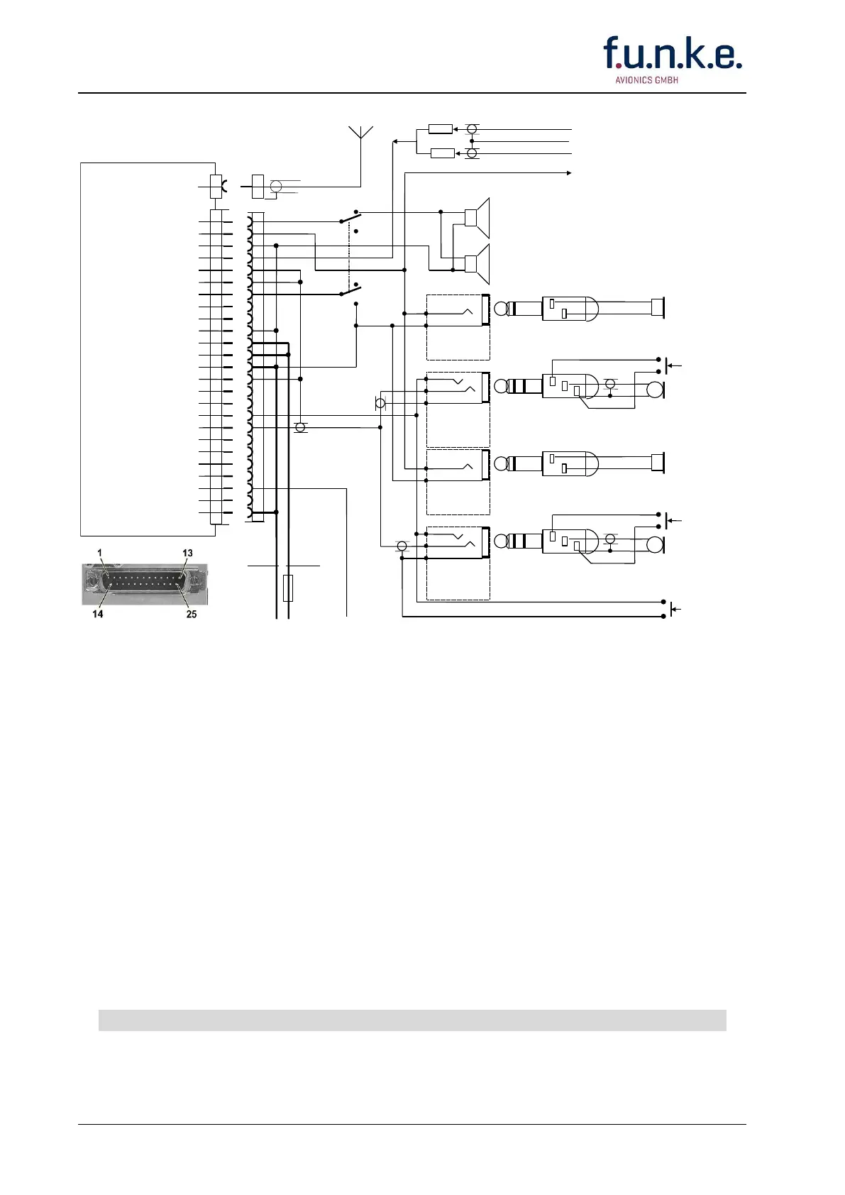
FSG 90 System
3 Installation
26 FAV_D10024 December 2014
13.75 V Lighting HI
from Dimmer or
lighting switch
A/C Speaker out
Headphone (HI) out
Headphone (LO) out
AF External
Dynamic Microphone (HI)
Dynamic Microphone (LO)
Intercom
RTS
RxD
Display Lighting LO
+13.75 V A/C Power
+ 13.75 V A/C Power
Power Ground
Microphone GND
RX Signal
AF Sum
PTT Switch
Amp/Carbon Microphone
AF Modem out
CTS
Data Ground
TxD
+13.75 V Lighting HI
Switched 13.3 Vdc OUT
Power Ground
FSG 90(X)
Antenna cable
RG 58 C/U
A/C antenna
1
2
3
4
5
6
7
8
9
10
11
12
13
14
15
16
17
18
19
20
21
22
23
24
25
Antenna
+
-
#18 AWG
1 mm² red
#18 AWG
1 mm² blue
INTERCOM-
Switch
OFF
ON
A/C POWER
13.75 Vdc/
14.0 Vdc
*Built-in stick
PTT switch
Pilot
Amplified/Carbon
microphone *with
PTT switch
1
2
A/N E08639
Headphone
Jack
JJ-034
1
2
1
2
3
Microphone
Jack
JJ-033
A/N E08640
1
2
3
Headphone Plug PJ-055
A/N E08941
Microphone Plug
PJ-068, A/N E08942
Pilot
Headphone
Copilot
Amplified/Carbon
microphone *with
PTT switch
1
2
A/N E08639
Headphone
Jack
JJ-034
1
2
1
2
3
Microphone
Jack
JJ-033
A/N E08640
1
2
3
Headphone Plug PJ-055
A/N E08941
Microphone Plug
PJ-068, A/N E08942
Copilot
Headphone
1 or 2 A/C speaker
4
to

AF External input
e.g. COM 2, NAV, MKR
Audio OUT to Audio Panel
(as required)
470 R
470 R

#20 AWG
#20 AWG
DA-25S
NOTES:
DO NOT wire other pins than noted!
Unless otherwise noted, all wires are #22 AWG (0.3 -0.4 mm²).
Unless otherwise noted, all Power Grounds are airframe grounds.
Intercom operation requires a microphone that provides audio OUT with the PTT key de-
energized (not keyed).
Intercom operation requires a selector switch, double pole, double throw.
Terminate audio shields at one end only.
Mount the Power bus circuit breakers in the A/C breaker panel or instrument panel such
that they will be accessible in flight and safe from physical damage.
* PTT Key/s either at hand-held microphone/s or installed on the yoke.
Wiring without Intercom: connect A/C speaker direct to pins 1 and 3.
 If more than one AF source isolation resistors 470 Ohm shall be installed.
 6 W model: Fuse 3.15 Amp quick acting, or circuit breaker 3 Amp.
10 W model: Fuse 5 Amp quick acting, or circuit breaker 5 Amp.
Always turn OFF the radio first before connecting or disconnecting the D-SUB connector
Fig. 3-7: FSG 90 System
Hook-up Diagram
2 Amplified/Carbon Microphones
and Intercom

Table of Contents

Related product manuals