EasyManua.ls Logo

Fike Quadnet - Supervisor - Delay On;Off Function; Supervisor - Test Display Function; Supervisor - View Logs Function; Supervisor - Disable;Enable Function

Fike Quadnet
74 pages
Print Icon
To Next Page IconTo Next Page
To Next Page IconTo Next Page
To Previous Page IconTo Previous Page
To Previous Page IconTo Previous Page
Loading...
Quadnet Control Panel Engineering and Commissioning Manual
13
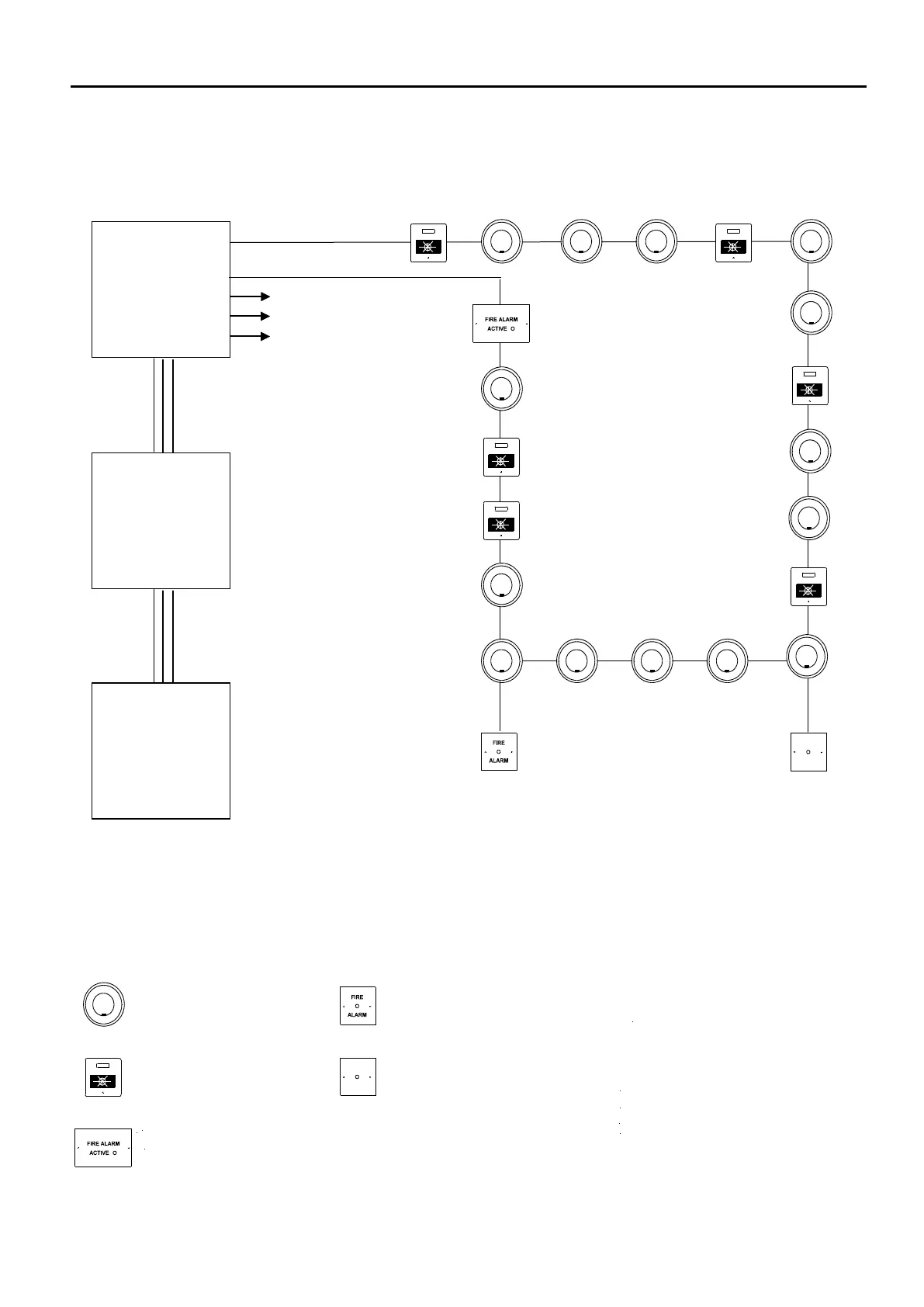
General System Schematic
Sita Multipoint Sita MP I/O
Sita MCP Remote Indicator
Sita Loop I/O Module
ADDRESSABLE
LOOPS
ALL 2-CORE
1.5mm
2
MAX 2km
QUADNET
CONTROL
PANEL
QUADNET
PSU
1 X 2C1.5
2 X 2C2.5
QUADNET
PSU
(OPTIONAL
UP TO 4 MAX
PER PANEL)
1 X 2C1.5
2 X 2C2.5

Table of Contents

Other manuals for Fike Quadnet

Related product manuals