EasyManua.ls Logo

Finn MBH6 - Page 116

Finn MBH6
133 pages
Print Icon
To Next Page IconTo Next Page
To Next Page IconTo Next Page
To Previous Page IconTo Previous Page
To Previous Page IconTo Previous Page
Loading...
MBH6 MR1108 Rev. A
110
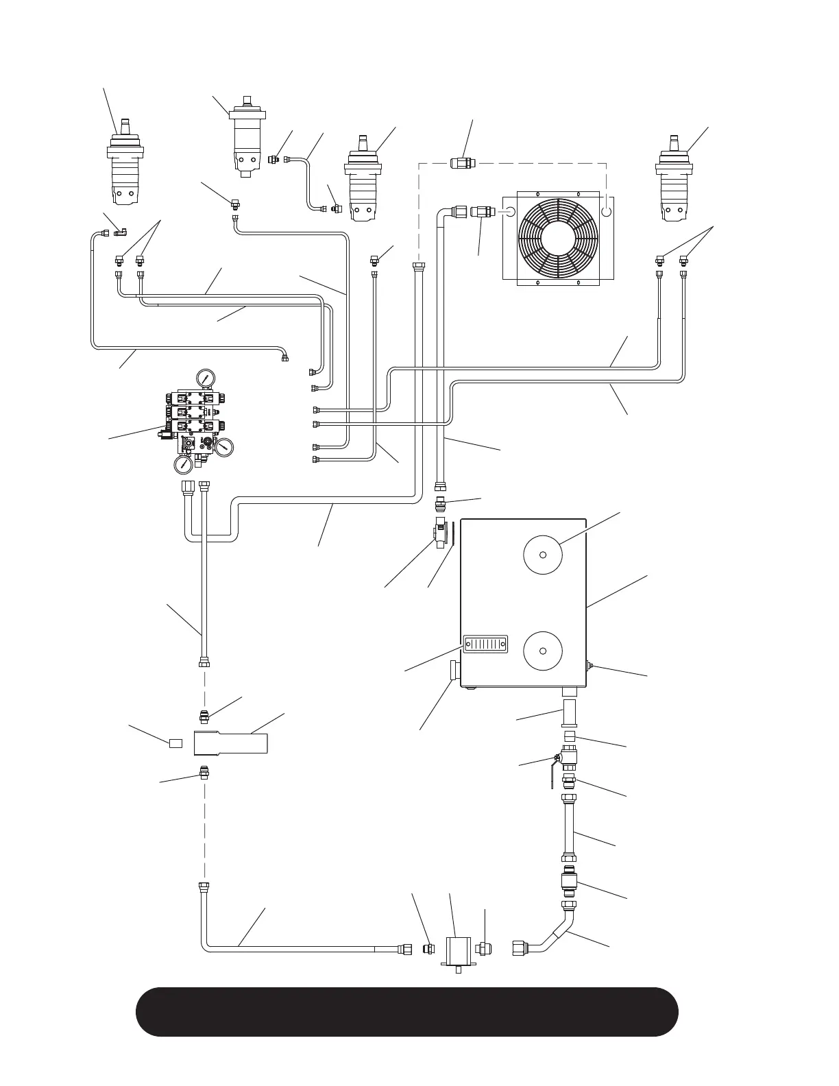
WHEN ORDERING PARTS, BE SURE TO STATE
SERIAL NUMBER OF MACHINE
1
3
3
17
6
5
10
12
13
15
7
9
39
39
29
38
38
35
30
20
18
30
32
16
26
31
22
21
24
33
11
14
39
36
23
27
29
8
25
37
34
2
39
4
19
39
BR
T
P
28
40

Table of Contents

Related product manuals