EasyManua.ls Logo

Fire-Lite ECC-50 - Page 43

Fire-Lite ECC-50
112 pages
Print Icon
To Next Page IconTo Next Page
To Next Page IconTo Next Page
To Previous Page IconTo Previous Page
To Previous Page IconTo Previous Page
Loading...
Emergency Command Center Manual — P/N LS10001-000FL-E:D 9/3/2014 43
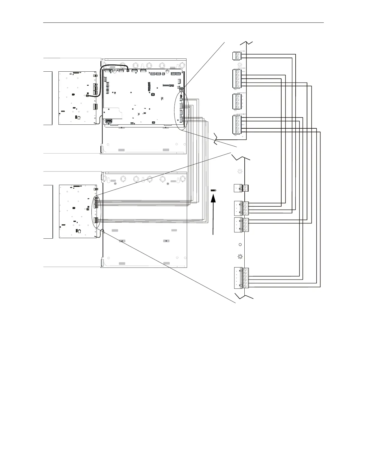
ECC-LOC Local Operator Console Installation
J12
TB15
J9
RTZM
Rev.
ECC-MCB-PCA
B
A
+
-
-
+
-
+
B
A
+
-
+
-
+
-
B
A
B
A
TB24
TB12
TB22
TB3
TB4
TB5
external operator interface
power - 24VDC
external data bus
external
audio riser
l
o
c
w
i
r
e
a
2
.
w
m
f
Figure 2.23 Local Operator Console Wiring (Class A/Style Z)
TB2
JP2
(shown jumpered
on pins 2 and 3)
ECC-50/100
main control board
ECC-LOC
display board

Table of Contents

Related product manuals