EasyManua.ls Logo

FlaktWoods eq Controls - Page 8

Default Icon
56 pages
Print Icon
To Next Page IconTo Next Page
To Next Page IconTo Next Page
To Previous Page IconTo Previous Page
To Previous Page IconTo Previous Page
Loading...
8Fläkt Woods 8666 GB 2010.06
Specifications are subject to alteration without notice
Installation and maintenance instructions
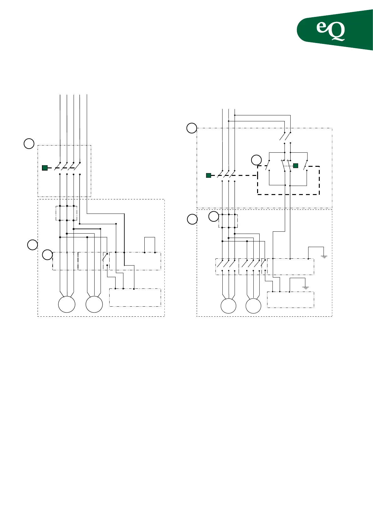
Control equipment
L2 L3 NL1
Lastfrånskiljare
PE
L2 L3 L1
N PE
10AT
L2 L3 L1
L1
L1
N
PE
M
M
Styrlåda
L2 L3L1
V WU
L3
L3´
Fig. 5
3x400 VAC TN-S
Connect the service power downstream of the load inter-
rupter. This can only be done when engines up to 5.5 kW, or
25 A, are being supplied at the same time.
L2 L3 L1
NO
NO
10AT
Lastfrånskiljare
2-pol Säkringsgrupp
L2 L3
M
L1 N L3´ PE
16AT
32AT
10AT
16AT
32AT
L2 L3 L1
L1
L1
N
PE
M
Styrlåda
L2 L3L1
V WU
Fig. 6
3x230 VAC IT
Separate service power supply via personal protection.
1. STAZ-80, lastfrånskiljare
2. Luftbehandlingsaggregat eQ
1
2
3
1. STAZ-80, load interrupter
2. eQ Air handling unit
3. Energy analyser/terminal block
1
4
2
3
1. STAZ-80, load interrupter
2. eQ Air handling unit
3. Energy analyser/terminal block
4. Ground fault interrupter with automatic personal protection
Load
interrupter
Load
interrupter
Two pole fuse group
Only for Norway
Electrical
cabinet
Electrical
cabinet

Related product manuals