EasyManua.ls Logo

Fluke 732B - Page 117

Fluke 732B
124 pages
Print Icon
To Next Page IconTo Next Page
To Next Page IconTo Next Page
To Previous Page IconTo Previous Page
To Previous Page IconTo Previous Page
Loading...
Schematic Diagrams
7
7-9
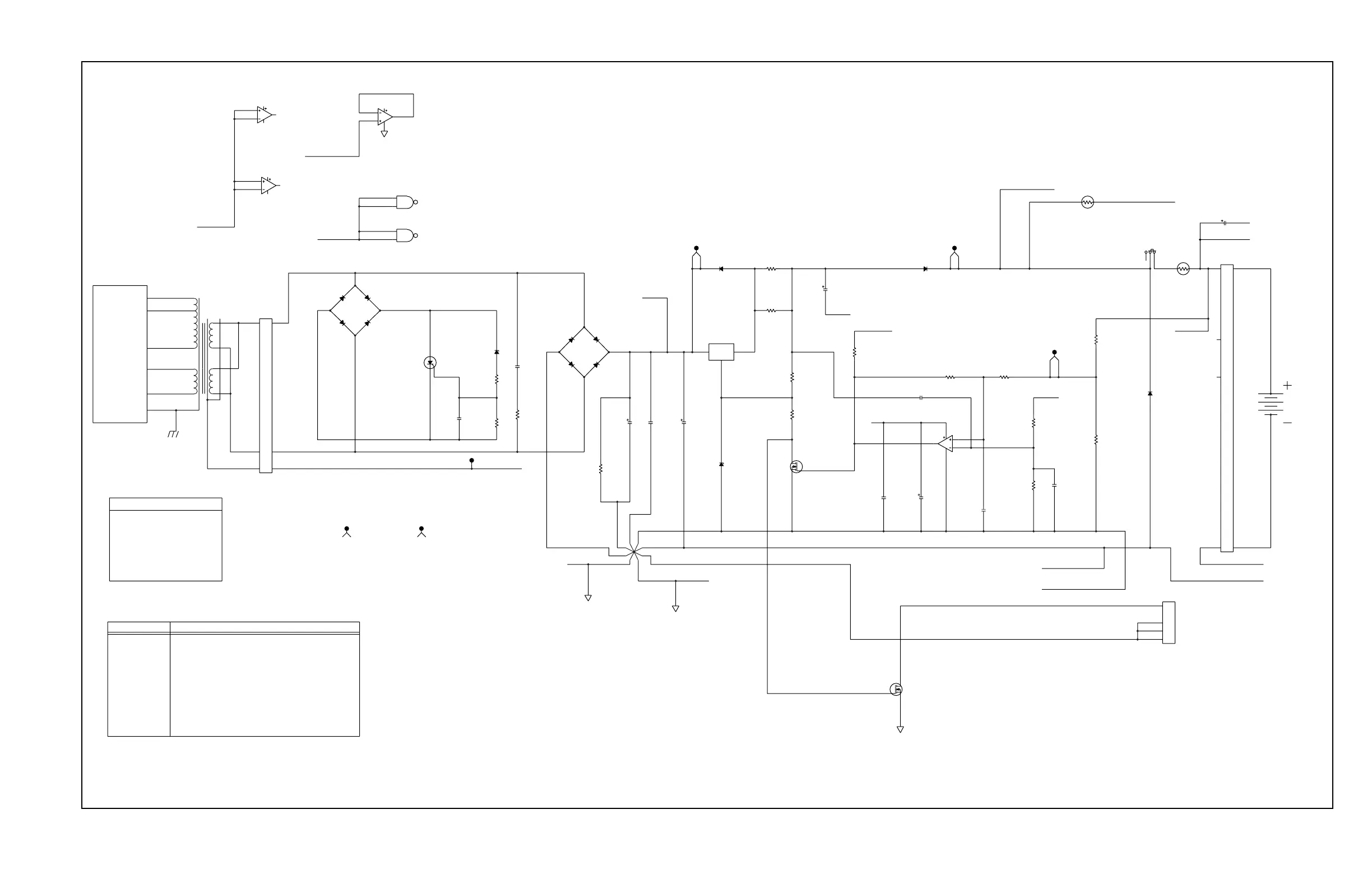
Figure 7-5. A5 Power Supply PCA (cont)
k39f.eps
R520
18.1K
TP501 TP502
R517
20K
R518
1M
R519
174K
R506
1.33K
R505
121
E17
R503
10.7
R502
10.7
22
C530
R558
4.7K
U509
CD4011BE
10UF
C504
R504
143
C503
.22
U509
CD4011BE
Q502
VN0104N3
TP504
U501
LM339
R515
75K
R514
13.7K
C505
.22
2.2
C534C509
.22
TP1 TP2
VR509
1N967B
CR500
P501
C501
1UF
J505
J503
RT503
RT502
CR517
1N4002
VR501
43V
CR505
1N4002
Q505
VN0104N3
2200
C502
CR506
1N4002
U501
LM339
U501
LM339
CR515
1N4002
CR516
1N4002
C500
1UF
CR514
1N4002
CR513
1N4002
CR502
1N4002
CR503
1N4002
CR504
1N4002
CR501
1N4002
1
R500
200
SW502
LT1078CN8
U506
1
1UF
C541
22UF
C542
C506
.22
R521
39.2K
LT1086
U500
IN OUT
ADJ
R501
560
TP503,TP505,TP506,TP510,TP511
U502,U503,U508,U510,U512
LAST USED/NOT USED
VR505,VR506,VR507VR509
U516
TP513
SW502
RT503
K500
P501
Q508
R566
J505
C541
CR517
F501
R524,R526,R527,R528,R530,R555,R557
R507,R508,R509,R510,R511,R512,R513,R516,R522,
C507,C508,C510,C511,C512,C521,C533,C536
NOT USEDLAST USED
THESE TESTPOINTS ARE USED FOR MECHANICAL PURPOSES ONLY.
TP513 TEMP-SENSE PG 2
TP512 OVEN TEMP OUT PG 2
TP509 ACOM PG 2
TP508 VCC PG 2
TP507 +12V PG 2
TP504 CHGFBK PG 1
TP502 +12V-BATT PG 1
TESTPOINTS
TP501 +RAW-DC PG 1
(TO SHEET 3)
CHG-COM
(TO SHEET 3)
(FROM SHEET 3)
EXT-BATT-COM
TX1
FL1
GND
F
D
E
A
C
MODULE
SWITCH
FUSE AND
FILTER,
AC LINE
TO FRONT PANEL 'A1'
UNUSED GATES:
=============
NOTES: UNLESS OTHERWISE SPECIFIED
1. ALL RESISTORS ARE IN OHMS.
ALL CAPACITOR VALUES ARE IN MICROFARADS.
+12 VOLT
BATTERY
8.45V
(TO SHEET 2)
(TO SHEET 3)
35V
1/2W
4
7
5
6
+VS
8
8
EXT-BATT+
+12V-BATT
COM1
VGUARD
VGUARD
LED-COM
LCOM
BATT-CHG-ON-LED*
LED-COM
CHG-COM
+11.5V
VBATT
(TO SHEET 2)
(TO SHEET 2)
+RAW-DC
+11.5V
+11.5V
COM1
LCOM
50V
18V
50V
M1
1W
600V
CHG-COM
CHGFBK
11
10
3
13
12
3
14
12
8
9
12
13
11
1
3
2
1
7
6
3
1
2
4
3
5
2
3
4
9
10
POC
12
+11.5V
+10V-REF
CHG-COM
CHG-COM
CHG-COM
BATT-NEG
(FROM SHEET 2)
EXT-BATT-COM
1/2W
25V
VBATT
CHG-COM
(FROM SHEET 2)
732B-1005
(1 of 3)
www.valuetronics.com

Table of Contents

Related product manuals