EasyManua.ls Logo

Fluke 732B - Page 118

Fluke 732B
124 pages
Print Icon
To Next Page IconTo Next Page
To Next Page IconTo Next Page
To Previous Page IconTo Previous Page
To Previous Page IconTo Previous Page
Loading...
732B
Instruction Manual
7-10
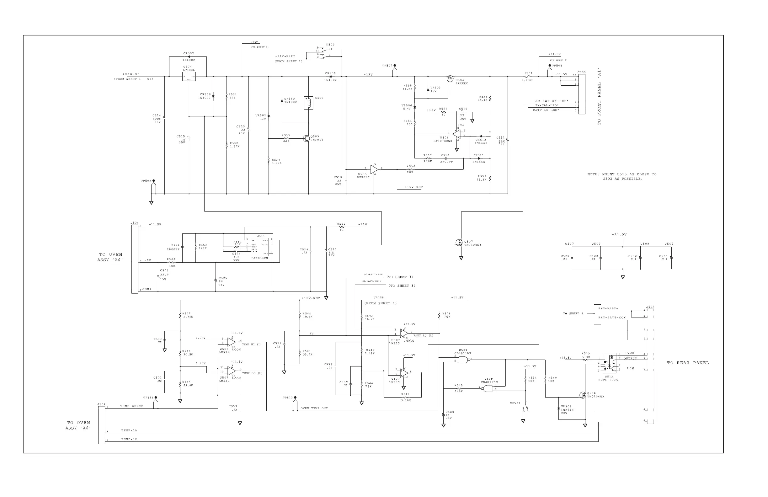
7-5. A5 Power Supply PCA (cont)
k40f.eps
732B-1005
(2 of 3)
www.valuetronics.com

Table of Contents

Related product manuals