EasyManua.ls Logo

Fluke 732B - Page 119

Fluke 732B
124 pages
Print Icon
To Next Page IconTo Next Page
To Next Page IconTo Next Page
To Previous Page IconTo Previous Page
To Previous Page IconTo Previous Page
Loading...
Schematic Diagrams
7
7-11
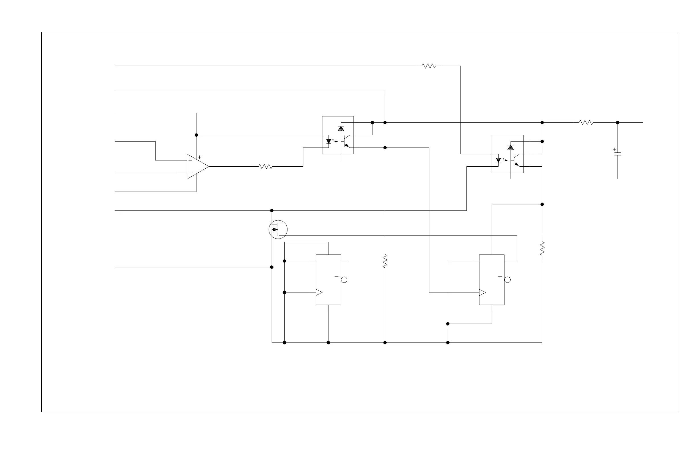
7-5. A5 Power Supply PCA (cont)
k41f.eps
100K
R565
S
R
Q
QD
CD4013BE
U516
S
R
Q
QD
CD4013BE
U516
VALUE=22UF
C544
R567
100
4.7K
R562
R564
7.32K
R563
560
U501
LM339
U515
Q508
RFP70N03
U514
6N135
6N135
(FROM SH 1)
(FROM SH 2)
(TO SH 1)
(FROM SH 1)
(FROM SH 2)
(FROM SH 2)
(FROM SH 2)
(FROM SH 1)
VFILT
BATT-NEG
2
35
7
8
6
8
10
139
11
12 2
3
51
4
6
3
12
2
5
4
2
35
8
6
7
LO-BATT-REF
CHG-COM
EXT-BATT-COM
LO-BATT-TRIP
+11.5V
+15V
BATT-NEG
VBATT
15V
732b-1005
(3 of 3)
www.valuetronics.com

Table of Contents

Related product manuals