EasyManua.ls Logo

Frigidaire Affinity 6000 Series - Affinity 7000 Series Wiring Diagram

Frigidaire Affinity 6000 Series
74 pages
Print Icon
To Next Page IconTo Next Page
To Next Page IconTo Next Page
To Previous Page IconTo Previous Page
To Previous Page IconTo Previous Page
Loading...
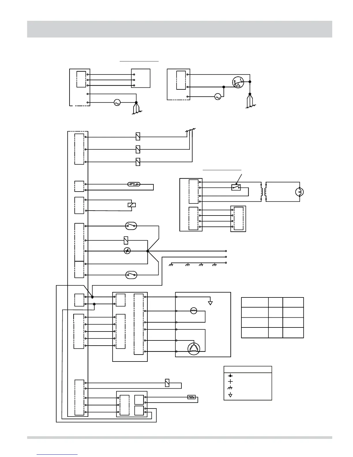
Section 6 Wiring Diagrams
6-1
J4
C4.1
C4.3
BLACK/RED
BLACK/RED
BLACK/RED
OPTION A OR B
ON SELECT MODELS
LEVEL SENSOR
J9
J12
J12
J4
J4
C4.1
C4.3
C4.4
C3.1
C3.1
C4.4
BLU
WHT
RED
BLACK/RED
BLACK/RED
BLACK/RED
PINK/BLK
M
M
1
1
2
2
PUMP
PUMP
OPTION A
OPTION B
C5.5
C5.3
C5.1
C3.2
PRESSURE
SWITCH
BLEACH
WASH
HOT
PURP
TAN
RED
C4.2
ON SELECT MODELS
LIGHT SWITCH
J10
J13
C7.7
C7.1
C7.3
C7.5
C4.1
C4.1
C4.2
C4.2
C4.3
C4.3
C4.4
C4.4
ORG
RED
RED
BLU
PINK
BLK
BLK
BLK
DRUM LIGHT
TRANSFORMER
INTERFACE BOARD
WHT
YEL
DISPENSER DRAWER
REED SWITCH
ON SELECT MODELS
BLK
BLK
BRN
YEL
12
+T NTC ON
SELECT MODELS
+T NTC
DOOR LOCK
AUXILIARY SWITCH
J8
J7
C2.1
C2.2
C3.1
C3.3
J3
C5.1
C5.3
C5.5
J2
C2.2
C2.1
ORG
GRAY
PINK
BLK
BLK
BLK
BLK
BLK
RED/BLK
4.1
4.2
DOOR LOCK
DOOR SWITCH
2.1
4.4
3.1
3.3
WAX MOTOR
2.2
4.3
WHT
WHT
WHT
WHT
GRN
GRN
HEATER
SELECT
MODELS
CABINET
TUB
SELECT
MODELS
SPEED
CONTROL
L1
N
GROUND
J1
J6
C2.1
C2.2
C5.5
C5.5
C5.4
C5.4
C5.3
C5.3
C5.2 C5.2
C5.1
C5.1
RED
RED
BLU
YEL
MOTOR CONTROL BOARD
C2.1
C2.2
C5.1
C5.2
C5.3
C5.4
C5.5
J1
J3
J5
C7.1
C7.3
C7.4
C7.5
C7.6
C7.7
GRAY
BRN
ORG
TACHO
GENERATOR
MOTOR
FRAME
12
T
X
ZY
MOTOR
J11
C6.1
C6.2
C6.3
C6.4
C6.5
AQUA
YEL
PURP
TAN
GRAY
DRUM WATER
HEATER
WHT/ RED
BLK/WHT
J3
C3.3
C3.3
C3.2
C3.1
C3.1
J2
J1
C2.2
C2.1
HEATER CONTROL BOARD
WIRING CODES
CONNECTION
NO CONNECTION
CABINET GROUND
LOCAL GROUND
DISPENSER VALVE
EVENT
WASH BLEACH
DETERGENT
BLEACH
SOFTENER
X
X
X
X
O
O
X=CLOSED
O=OPEN
Sam p le Schem atic
for 7000 series.
Al ways use diagram
with product
C4.4
TAN/BLACK
Affinity 7000 Series Wiring Diagram

Table of Contents

Related product manuals