EasyManua.ls Logo

Frigomat FR260 - Page 155

Frigomat FR260
Print Icon
To Next Page IconTo Next Page
To Next Page IconTo Next Page
To Previous Page IconTo Previous Page
To Previous Page IconTo Previous Page
Loading...
APPENDICI
-
2
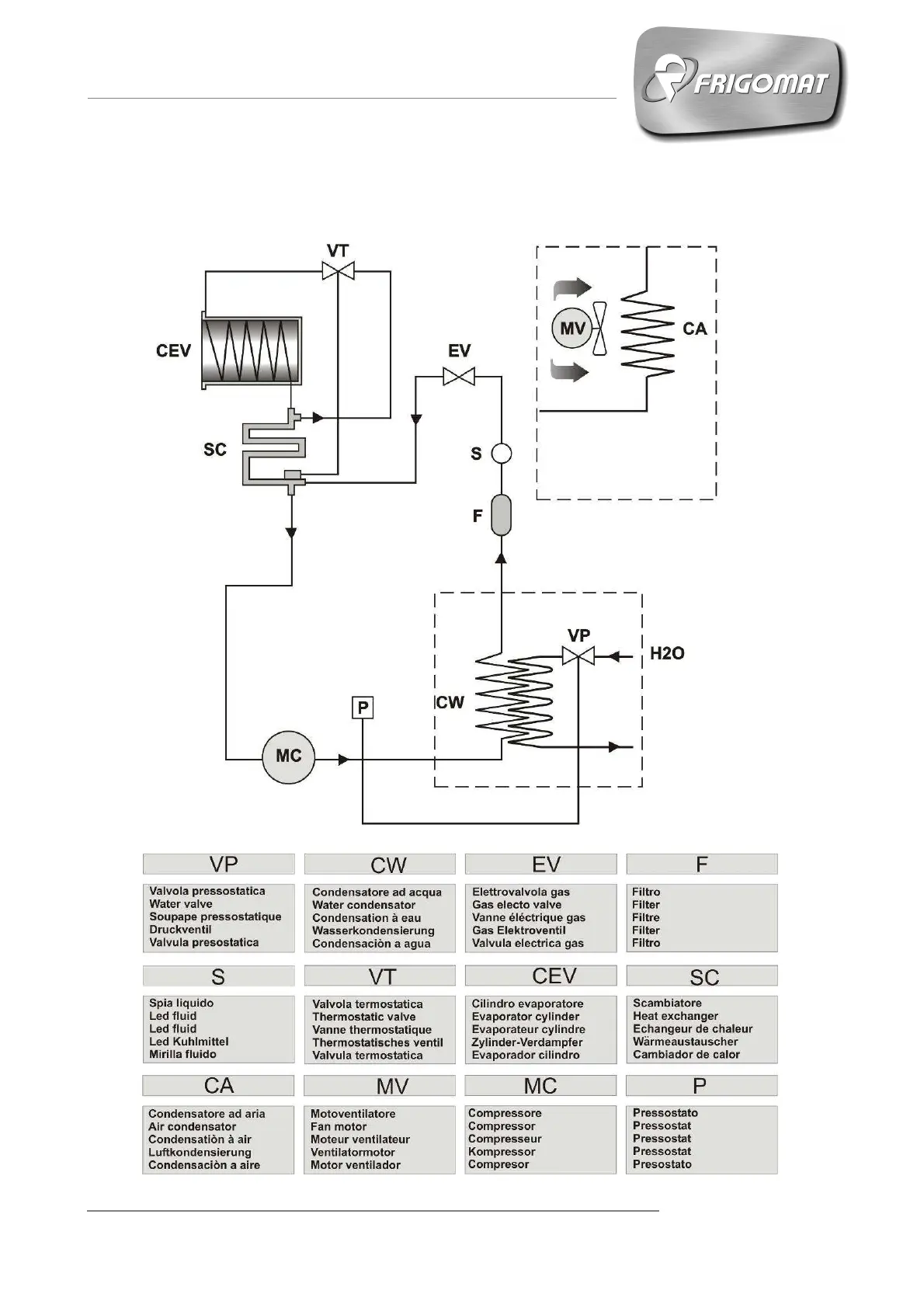
9.2 Schema circuito frigorifero / Refrigerant circuit diagram / Schéma du circuit
frigorifique / Esquema circuito frigorifico.

Table of Contents

Related product manuals