EasyManua.ls Logo

Garmin MX20 - Page 30

Garmin MX20
90 pages
Print Icon
To Next Page IconTo Next Page
To Next Page IconTo Next Page
To Previous Page IconTo Previous Page
To Previous Page IconTo Previous Page
Loading...
Installation
20 560-1025-09 Rev E MX20 Installation Manual
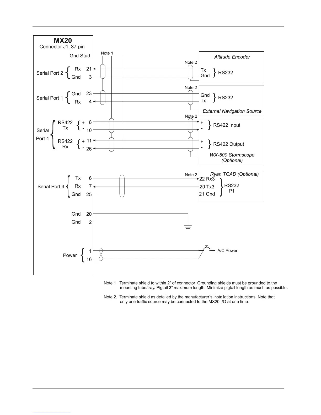
Figure 2-14. Sample System Wiring Diagram for TCAD and Stormscope

Table of Contents