EasyManua.ls Logo

Ge Est QS4 - Page 100

Ge Est QS4
138 pages
Print Icon
To Next Page IconTo Next Page
To Next Page IconTo Next Page
To Previous Page IconTo Previous Page
To Previous Page IconTo Previous Page
Loading...
Standard applications
5.6 QS4 Technical Reference Manual
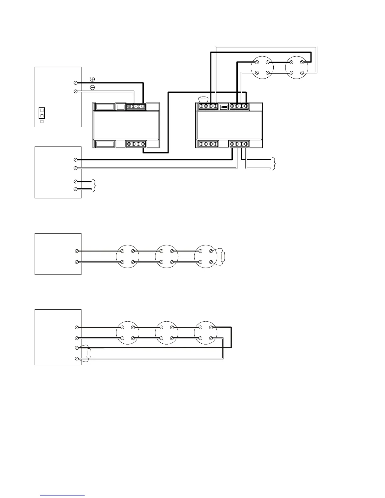
TO DATA OUT TERMINALS
ON LAST DEVICE (CLASS A ONLY)
TO
DATA IN TERMINALS
ON NEXT DEVICE
LOOP B+
LOOP B–
LOOP A+
LOOP A–
SLIC
UL/ULC LISTED
22 K EOLR
24VDC+
24VDC–
PS6
JP2
ACC PWR
SMK PWR
SIGA–UM
12345678
91011121314
3-2-1
2–SMK
Typical Class A two-wire smoke detector circuit
Z(n)–
UL/ULC LISTED
4.7 K EOLR
ZB16–4
Z(n)+
Typical Conventional Class B IDC circuit
ZONE (n) B–
UL/ULC LISTED
4.7 K EOL
R
ZA8–2
ZONE (n) B+
ZONE (n) B–
ZONE (n) B+
Typical Conventional Class A IDC circuit
Technical Manuals Online! - http://www.tech-man.com

Table of Contents