EasyManua.ls Logo

Ge Est QS4 - Controls and Indicators

Ge Est QS4
138 pages
Print Icon
To Next Page IconTo Next Page
To Next Page IconTo Next Page
To Previous Page IconTo Previous Page
To Previous Page IconTo Previous Page
Loading...
Product description
QS4 Technical Reference Manual 1.9
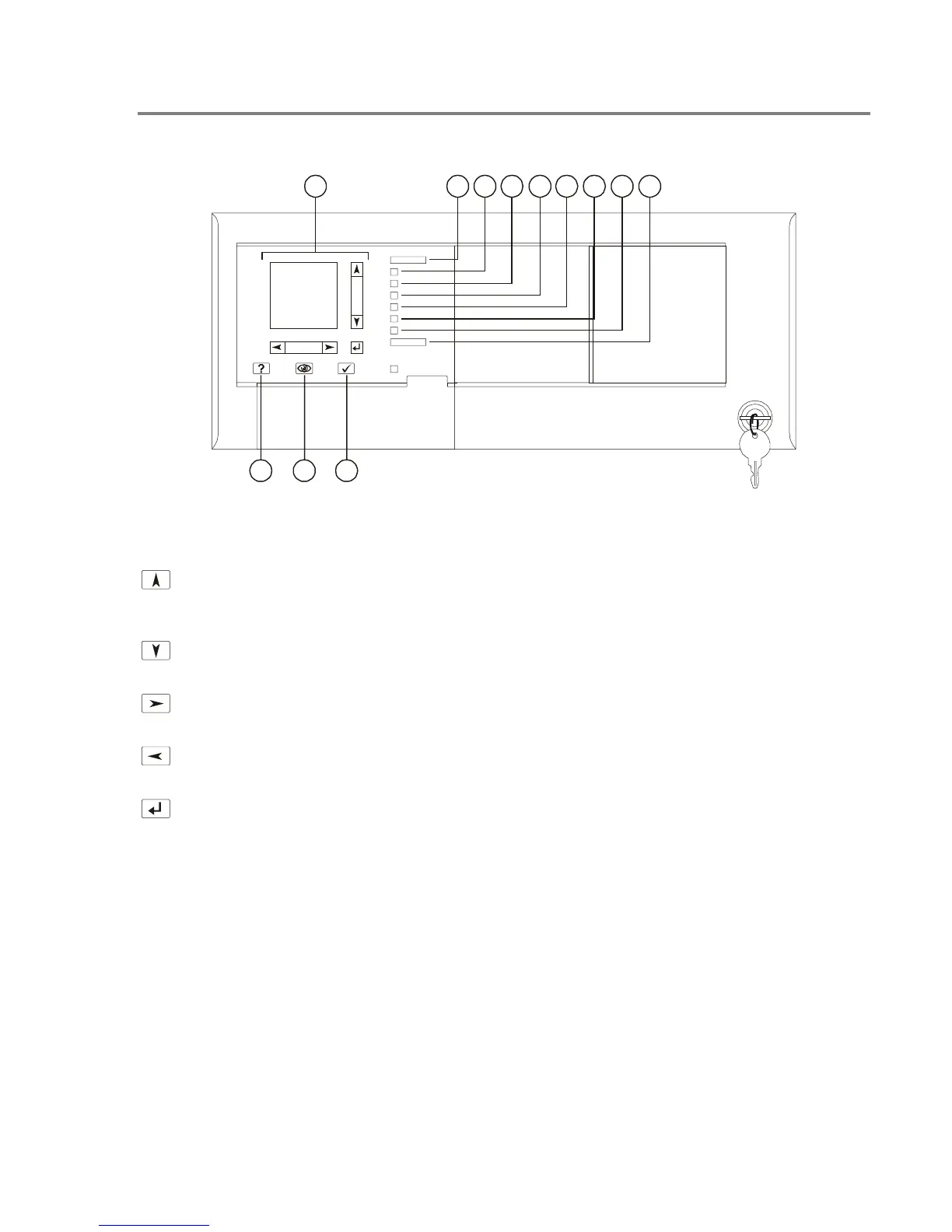
Controls and indicators
1234
1
67890
2
3
5
4
5
6
7
8
9
10
11
12
13
14
15
16
17
18
19
20
21
22
23
24
25
26
27
28
29
30
12
2
345 61 78
9
1
2
3
4
5
6
7
8
9
10
11
12
13
14
15
16
17
18
19
20
21
22
23
24
25
26
27
28
29
30
11 10
1. Text display and controls: Displays system
messages, status information, programming
menus.
Moves the cursor up one line at a time or
to the previous record in the display
queue
Moves the cursor down one line at a time
or to the next record in the display queue
Moves the cursor right one character at a
time or to the next display queue
Moves the cursor left one character at a
time or to the previous display queue
Enters operator input and selects menu
items
2. Alarm LED: Indicates the panel posted an
alarm event record into the corresponding display
queue.
3. Supervisory LED: Indicates the panel posted
a supervisory event record into the corresponding
display queue.
4. Disable/Test LED: Indicates part of the
system is disabled or is currently under test.
Disabled components also signal a system
trouble.
5. Monitor LED: Indicates the panel posted a
monitor event record into the corresponding
display queue.
6. Trouble LED: Indicates the panel posted a
trouble event record into the corresponding
display queue.
7. Ground Fault LED: Indicates a ground fault in
the system wiring. Ground faults also signal a
system trouble.
8. CPU Fail LED: Indicates an unexpected
reboot or failure with the microprocessor. CPU
failures also signal a system trouble.
9. Power LED: Indicates the panel has ac power.
10. Panel Silence/Acknowledge button/LED:
Turns off the panel buzzer and acknowledges all
events. The Panel Silenced LED indicates that all
off normal events have been acknowledged and
the internal buzzer is off.
11. Status button: Displays the Status menu
from which you can identify active or disabled
points in the system.
12. Help button: Provides additional information
for the event record selected on the display.
Technical Manuals Online! - http://www.tech-man.com

Table of Contents