EasyManua.ls Logo

Ge Est QS4 - Auxiliary Protective Signaling

Ge Est QS4
138 pages
Print Icon
To Next Page IconTo Next Page
To Next Page IconTo Next Page
To Previous Page IconTo Previous Page
To Previous Page IconTo Previous Page
Loading...
Standard applications
5.12 QS4 Technical Reference Manual
Auxiliary protective signaling
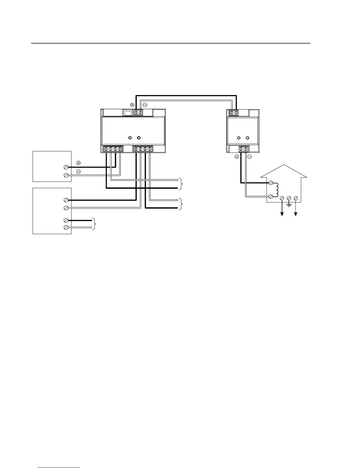
Wire as shown in Figure 5-6. Program the SIGA–CC1 as a common alarm output device. Plus and
minus symbols indicate signal polarity with the circuit turned on.
Municipal circuit
Master box
12
12
2–CTMSIGA–CC1
10 9
12435687
LOOP B+
LOOP B–
LOOP A+
LOOP A
TO DATA OUT TERMINALS
ON LAST DEVICE (CLASS A ONLY)
SLIC
TO DATA IN TERMINALS
ON NEXT DEVICE
24VDC+
24VDC–
LISTED 24VDC
SUPPLY
TO NEXT DEVICE
Figure 5-6: Auxiliary protective signaling cabling diagram
Technical Manuals Online! - http://www.tech-man.com

Table of Contents