EasyManua.ls Logo

Graco xtreme - Wall Mount Packages and Pump Packages

Graco xtreme
60 pages
Print Icon
To Next Page IconTo Next Page
To Next Page IconTo Next Page
To Previous Page IconTo Previous Page
To Previous Page IconTo Previous Page
Loading...
Dimensions
52 311164M
Wall Mount Packages and Pump Packages
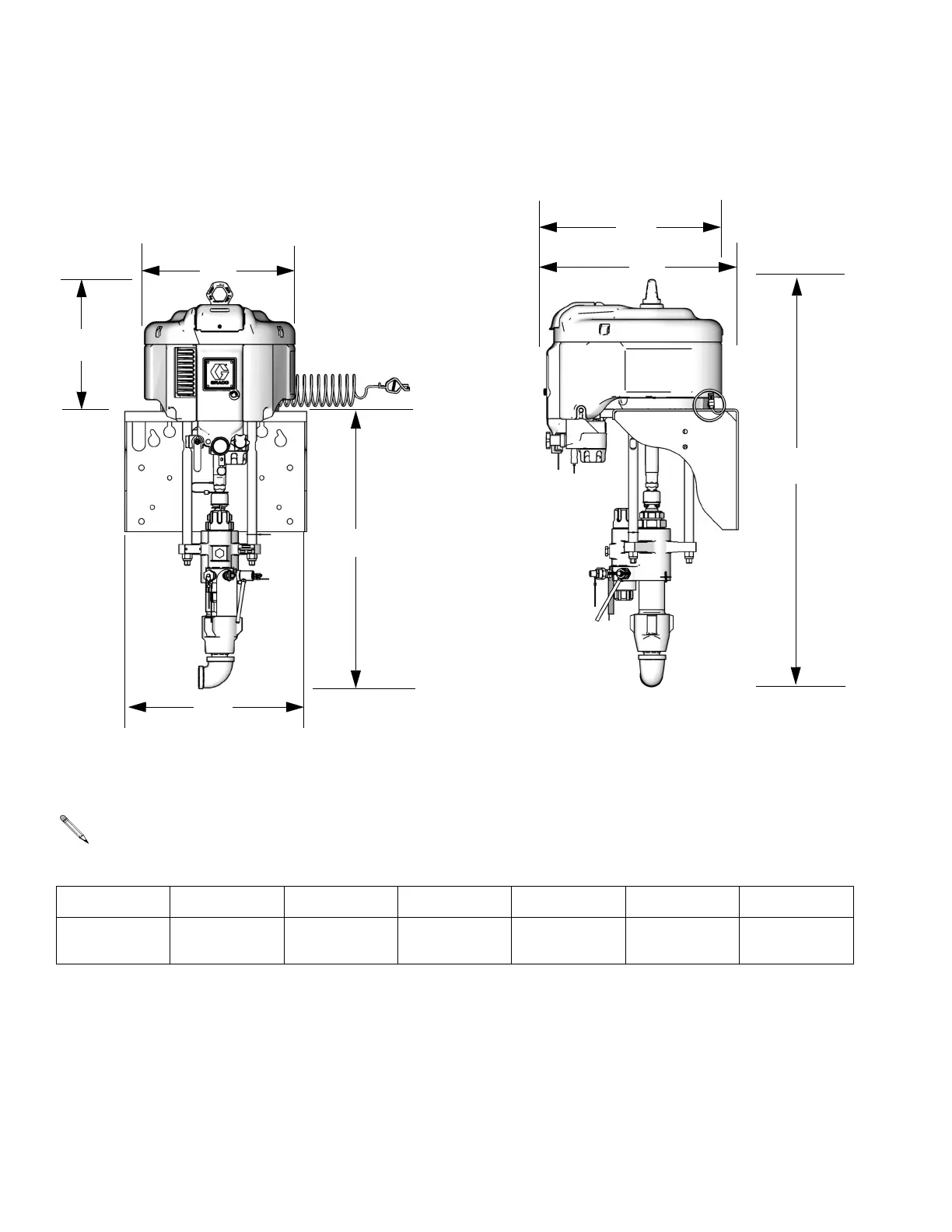
Wall Mount Dimensions
TI8424a
TI8425a
Front View
Side View
A
C
D
B
EE
F
G
NOTE: Dimensions based on largest air motor
and lower combination.
ABCDEFG
14.0 in.
(355.6 mm)
17.75 in.
(450.6 mm)
29.0 in.
(736.6 mm)
19.25 in.
(489 mm)
43.0 in.
(1092.2 mm)
18.9 in.
(480 mm)
16.2 in.
(410 mm)

Table of Contents

Related product manuals