EasyManua.ls Logo

Groen CC20-E - Page 19

Groen CC20-E
314 pages
Print Icon
To Next Page IconTo Next Page
To Next Page IconTo Next Page
To Previous Page IconTo Previous Page
To Previous Page IconTo Previous Page
Loading...
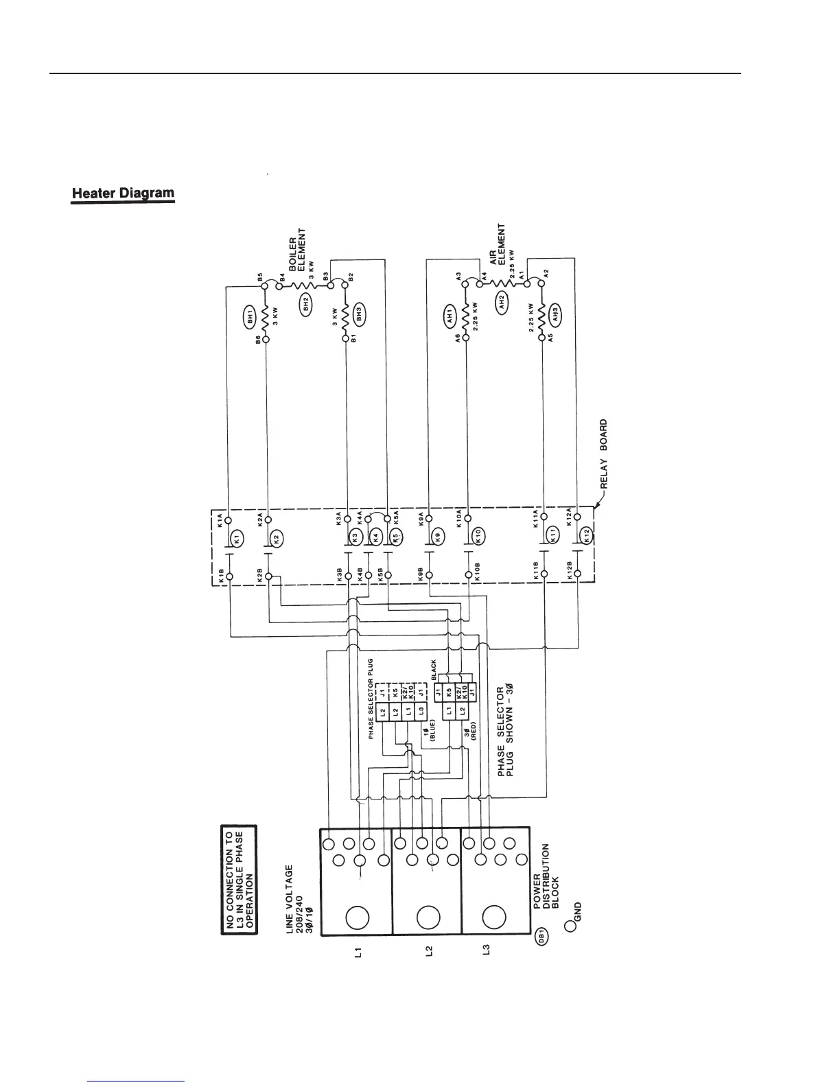
CC10-E
Electrical Diagrams
Prior to Serial Number C7439MS
2-162-16
(Revised 1/02)
Schematic Diagrams for CC10-E

Related product manuals