EasyManua.ls Logo

Groen CC20-E - Single Oven

Groen CC20-E
314 pages
Print Icon
To Next Page IconTo Next Page
To Next Page IconTo Next Page
To Previous Page IconTo Previous Page
To Previous Page IconTo Previous Page
Loading...
CC10-G
Parts List
4-34
27
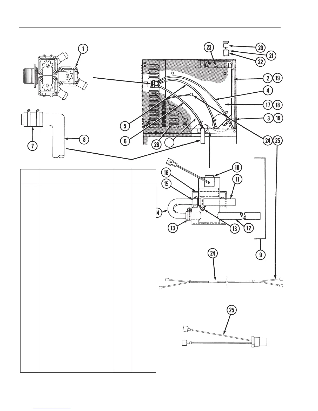
Figure 10. Water Inlet and Drain
- Water Inlet Valve, 2-Way,
Triple Type . . . . . . . . . . . . . . . 1 090827
2 Steam Hose, 18" Lg . . . . . . . . 1 088000
3 Steam Hose, 2" Lg . . . . . . . . 1 087999
4 Hose (Upper Unit on a Double
Stack) . . . . . . . . . . . . . . . . . . . 1 092111
4 Hose (Lower Unit on a Double
Stack, and Single Oven) . . . . 1 092113
5 Water Fill Hose, 29-114" Lg . . 1 087919
6 Condensate Tube,
28-1/2" Lg . . . . . . . . . . . . . . . . 1 081626
7 Radiator Hose, 1-1/2" ID X
2-1/2" Lg . . . . . . . . . . . . . . . . . 1 073254
8 Drain Elbow Assembly . . . . . . 1 072159
Drain Seal . . . . . . . . . . . . . . . 1 072128
9 Valve and Bracket Assembly . 1 087917
10 Drain Valve . . . . . . . . . . . . . 1 071234
11 Silicone Tube (Shorts . . . . . . 1 085148
12 Silicone Tube (Long) . . . . . . 1 085149
13 • Low Pressure Hose Clamp . 2 071271
14 Drain Pipe . . . . . . . . . . . . . . 1 085147
15 Aluminum Clamp, 1/2" . . . . . 1 087941
16 Bracket . . . . . . . . . . . . . . . . 1 085170
17 Boiler Assembly . . . . . . . . . . 1 093437
18 Insulation . . . . . . . . . . . . . . . . 1 087940
19 Hose Clamp . . . . . . . . . . . . . . 4 073259
20 Cap Assembly . . . . . . . . . . . . 1 087931
21 Clamps . . . . . . . . . . . . . . . . . . 2 073259
22 Hose, 1-3/4" dia. X 2-112" Lg . 1 087952
23 Vacuum Breaker . . . . . . . . . . . 1 090787
After Serial #GC13230
24 Thermal Harness Switch . . . . 1 098645
25 Hi-Limit Thermal Switch . . . . . 1 096892
26 Back Panel . . . . . . . . . . . . . . . 1 085108
27 Flow Restrictor . . . . . . . . . . . . 1 088877
Item Description Qty.
Part
No.
* Not Shown
(Revised 1/02)

Related product manuals