EasyManua.ls Logo

Groen CC20-E - Page 21

Groen CC20-E
314 pages
Print Icon
To Next Page IconTo Next Page
To Next Page IconTo Next Page
To Previous Page IconTo Previous Page
To Previous Page IconTo Previous Page
Loading...
CC10-E
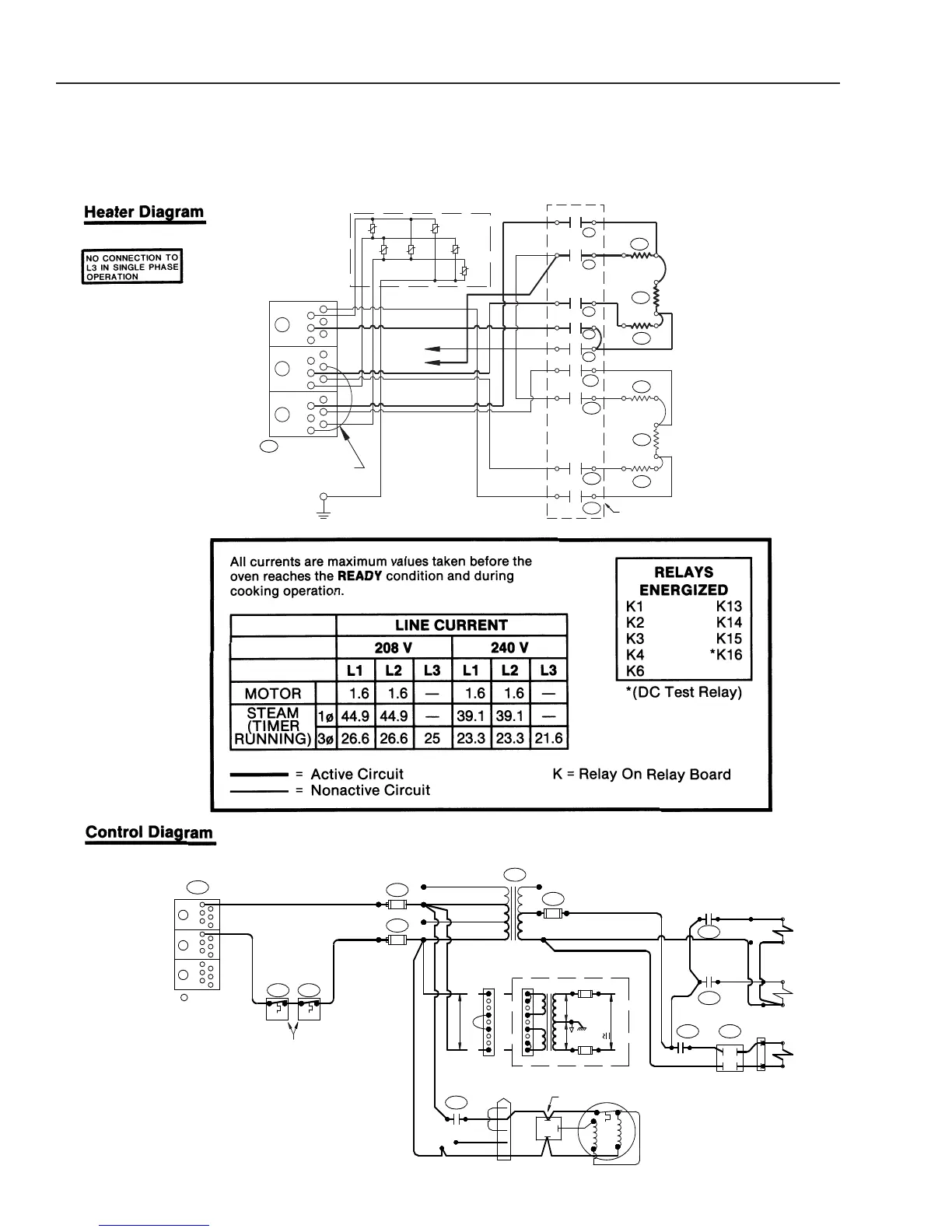
Electrical Diagrams
After Serial Number C7439MS
GND
D
B1
L3
BLOCK
D
ISTRIBUTION
POWER
208/220/240V
1ø, 3ø
L2
LINE VOLTAGE
L1
-2
MOV
-4
-6
M
OV
MOV
-1
MOV
-3
-5
MOV
MOV
MOV BOARD
A6
ELEMENT
AIR
K12B
K11B
K10B
AH3
K11
RELAY BOARD
K12
K12A
2.25 KW
2.25 KW
K
11A
A5
K10
K
10A
A1
2.25 KW
A2
AH2
A3
A4
ELEMENT
BOILER
K
5B
K9B
K
4B
K
3B
K2B
K1B
BH2
3 KW
3 KW
K5A
K
9A
K9
K5
K4A
K4
K3
B1
AH1
B
3
B2
BH3
K
3A
K
2
K1
K2A
K1A
B6
B4
3 KW
B5
BH1
G
ND
12AWG
(1ph ONLY)
Xph
Yph
SEE
TABLE
DISTRIBUTION BLOCK
OPEN @ 610° F
BOILER
TC2
DB1
14 AWG
AIR
TC1
FB2-A
FB1-A
F4
FB2-B
F5
20
20
FB1-B
24 VAC
50 VA
COM
200/208V
TR1
X2
2
F1
XF
1700 RPM
1/6 HP
BLU
AC2
N/C
BLU
K6
BLK
2
5
3
4
WHT
1
BLK
RED
3
1
2
-
RELAY
START
MOTOR
YEL
DC2
SPRAY
VALVE
BOILER
K14
ORG
K13
AC1
K15
BRN
BRN
ORG
+
D1
ORG
DC1
DRAIN
VALVE
WV2
WV1
FILL
VALVE
ORG
WV3
WV4
L2
L1
L3
GND
208V-240V
A
B
14VAC
RELAY BOARD
14VAC
3
J4
1
21
64
654
9
987
POWER TO
1.25 AMP
C
28VAC
D
RELAY BOARD
1.25 AMP
14 AWG
14 AWG
220/230/240V
440/460/480V
Steam Mode Circuit
2-18
(Revised 1/02)

Related product manuals