EasyManua.ls Logo

Groen CC20-E - Page 68

Groen CC20-E
314 pages
Print Icon
To Next Page IconTo Next Page
To Next Page IconTo Next Page
To Previous Page IconTo Previous Page
To Previous Page IconTo Previous Page
Loading...
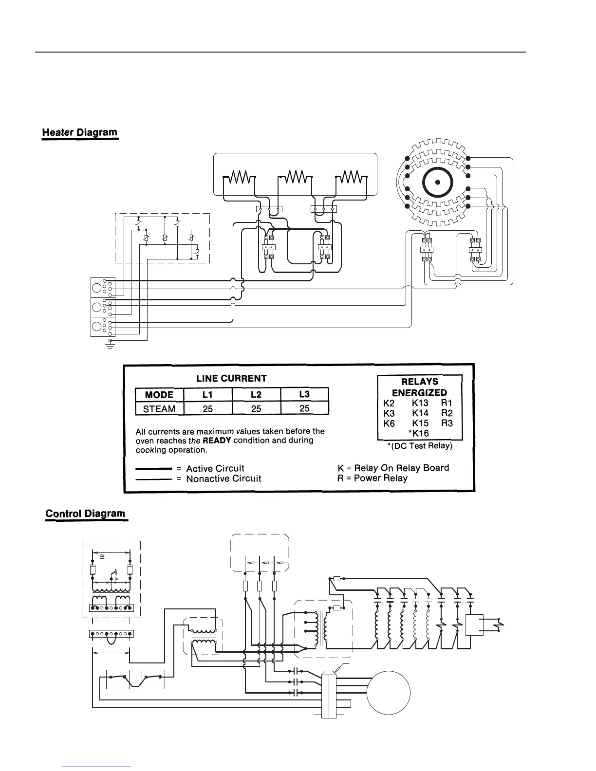
CC20-E
Electrical Diagrams
After Serial Number C7439MS
L1
L3
L2
DB1
B
LK
W
HT
RED
R2
BH1
7000 W
B1
T
B1
B5
WIRES 14 AWG 600V 105°C UNLESS NOTED
R3
B2 B3
BH2
B4
7000 W
BOILER
R11
T
B2
B
H3
B6
A4
A2
A6
7000 W
A1
A3
A5
FAN
R12
A6
A2
A4
A1
A5
A3
AIR
GND
-4
MOV
-2
MOV
-3
MOV
MOV
-6
MOV
-1
-5
MOV
MOV BOARD
RED
WHT
BLK
TO DISTRIBUTION BLOCKTO DISTRIBUTION BLOCK
F2F2
K = RELAY ON RELAY BOARDK = RELAY ON RELAY BOARD
R = POWER RELAYR
= POWER RELAY
610 F610 F
AIRAIR
TC1TC1
BOILERBOILER
TC2TC2
610 F610 F
480V480V
240V240V
TR3TR3
50 VA50
VA
F1F1
20A20A
REDRED
L1L1
M1M1 M1M1
480V480V
MOTORMOTOR
1/5 HP1/5 HP
6-PIN6-PIN
N5N5N5N5
NCNC
NCNC
M2M2
M3M3
M4M4
M3M3
M4M4
M2M2
MOTORMOTOR
IS THERMALLYIS
THERMALLY
PROTECTEDPROTECTED
K12K12
M1M1
240240
TR1TR1
R1R1
COMCOM
208208
24V24V
20A20A
F3F3
20A20A
WHTWHT
BLKBLK
100 VA100 VA
480480
4A4A
F4F4
F7F7
3A3A
R11R11
R12R12
R1R1
R2R2
R3R3
K2 K2
K6K6 K3K3
K11K11
L3L3L2L2
14 AWG14 AWG
++
BOILER FILLBOILER FILL
CONDENSATECONDENSATE
ACAC
--
DCDC
VALVEVALVE
DRAINDRAIN
L15L15
ACAC
K13K13
K14K14
WIRES 18 AWG 600V 105°C UNLESS NOTEDWIRES 18 AWG 600V 105°C UNLESS NOTED
KEYKEY
3 PHASE3 PHASE
CONNECTORCONNECTOR
208V-240V208V-240V
66
BB
99
99
77
88
AA
4466 11
4455
2233
J4J4
11
RELAY BOARDRELAY BOARD
14VAC14VAC
1.25 AMP1.25 AMP
DD
1.25 AMP1.25 AMP
14VAC14VAC
28VAC28VAC
CC
POWER TOPOWER TO
S
team Mode Circuit for 480 Volt Units
3-36
(Revised 1/02)

Related product manuals