EasyManua.ls Logo

Groen CC20-E - Page 70

Groen CC20-E
314 pages
Print Icon
To Next Page IconTo Next Page
To Next Page IconTo Next Page
To Previous Page IconTo Previous Page
To Previous Page IconTo Previous Page
Loading...
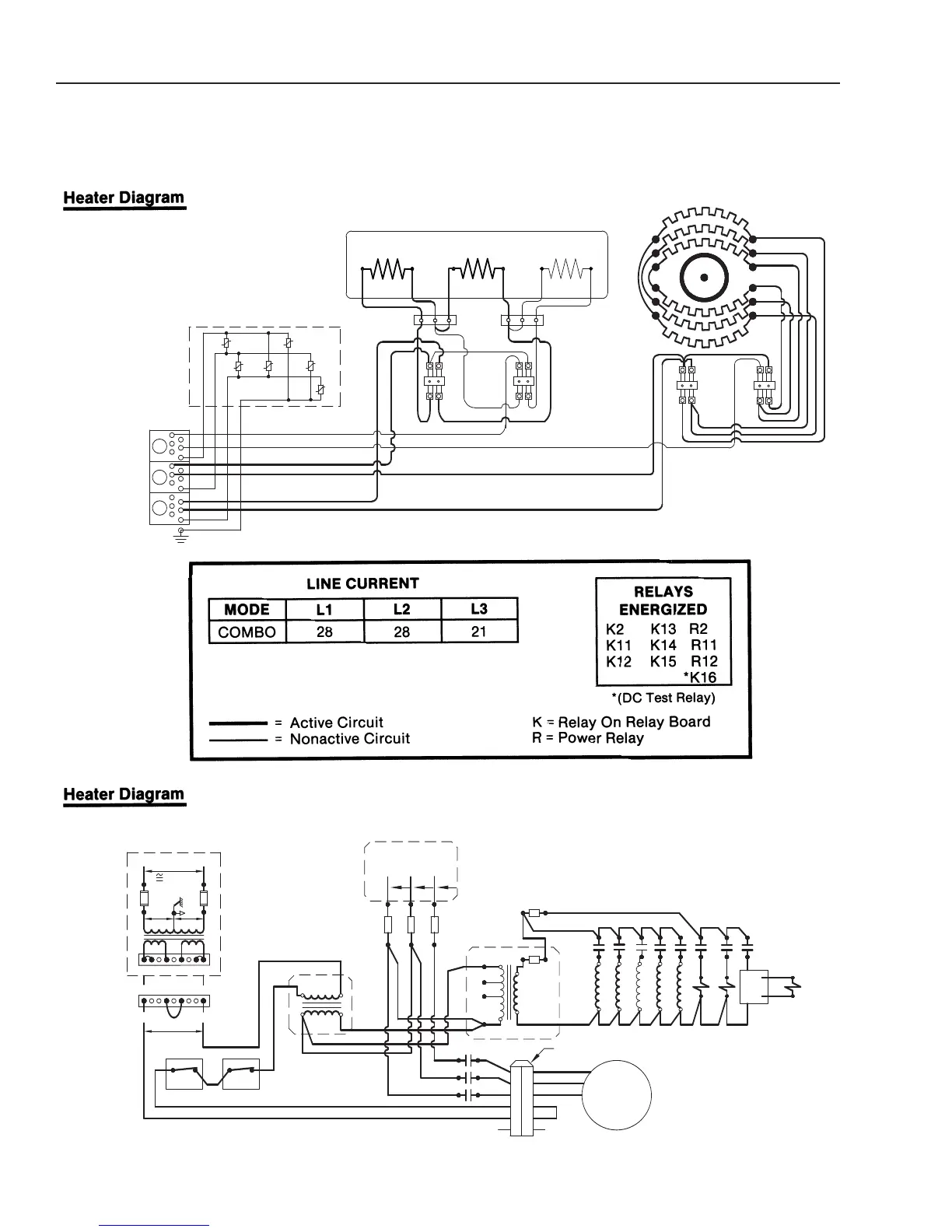
CC20-E
Electrical Diagrams
After Serial Number C7439MS
3-38
(Revised 1/02)
L1
L3
L2
DB1
B
LK
WHT
R
ED
R2
B
H1
7000 W
B1
T
B1
B5
WIRES 14 AWG 600V 105°C UNLESS NOTED
R3
B2 B3
B
H2
B4
7000 W
BOILER
R
11
T
B2
B
H3
B6
A4
A
2
A6
7000 W
A
1
A3
A
5
FAN
R
12
A
6
A2
A4
A1
A5
A
3
AIR
GND
-4
MOV
-
2
MOV
-3
MOV
MOV
-6
MOV
-
1
-5
MOV
MOV BOARD
RED
WHT
BLK
TO DISTRIBUTION BLOCK
F2
K = RELAY ON RELAY BOARD
R = POWER RELAY
610 F
AIR
TC1
BOILER
TC2
610 F
480V
240V
TR3
50 VA
F1
20A
RED
L1
M1 M1
480V
MOTOR
1/5 HP
6-PIN
N5N5
NC
NC
M2
M3
M4
M3
M4
M2
MOTOR
IS THERMALLY
PROTECTED
K12
M1
240
TR1
R1
COM
208
24V
20A
F3
20A
WHT
BLK
100 VA
480
4A
F4
F7
3A
R11
R12
R1
R2
R3
K2
K6 K3
K11
L3L2
14 AWG
+
BOILER FILL
CONDENSATE
AC
-
DC
VALVE
DRAIN
L15
AC
K13
K14
WIRES 18 AWG 600V 105°C UNLESS NOTED
KEY
3 PHASE
CONNECTOR
208V-240V
6
B
9
9
7
8
A
46 1
45
23
J4
1
RELAY BOARD
14VAC
1.25 AMP
D
1.25 AMP
14VAC
28VAC
C
POWER TO
C
ombo Mode Circuit for 480 Volt Units

Related product manuals