EasyManua.ls Logo

Groen SMARTSTEAM PRO - Page 22

Groen SMARTSTEAM PRO
65 pages
Print Icon
To Next Page IconTo Next Page
To Next Page IconTo Next Page
To Previous Page IconTo Previous Page
To Previous Page IconTo Previous Page
Loading...
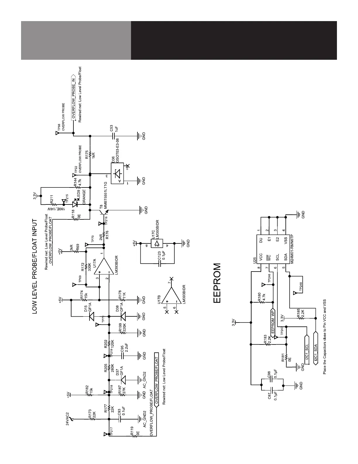
22 SM-GSSP BOILERLESS STEAMER
Wiring Diagram & Schematics
GSSP-BL, I/O BOARD
888-994-7636

Related product manuals