EasyManua.ls Logo

HAVAL 4S20 - Chapter VII. Supply System; Section I. Power System Layout

Default Icon
194 pages
Print Icon
To Next Page IconTo Next Page
To Next Page IconTo Next Page
To Previous Page IconTo Previous Page
To Previous Page IconTo Previous Page
Loading...
Chapter VII. Supply system
Section I. Power System Layout
2
3
9
Chapter VII. Supply system
31
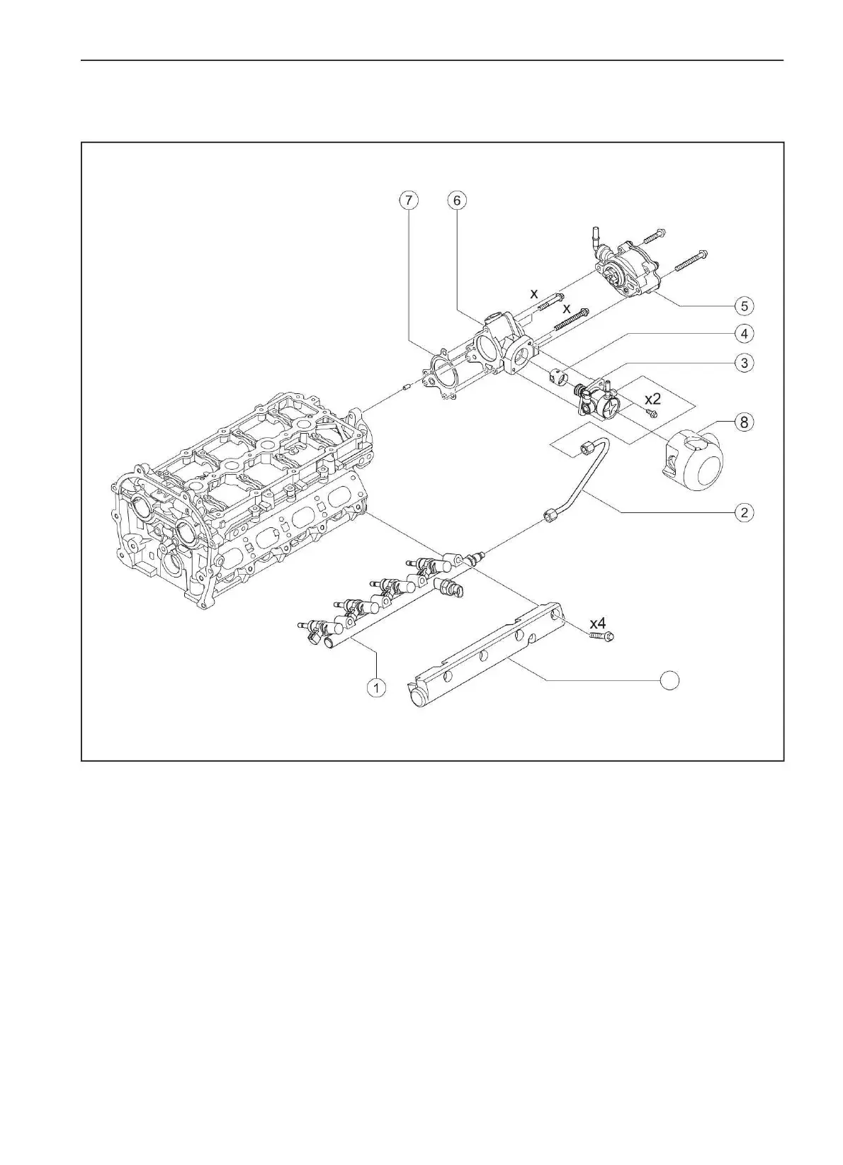
high pressure
1 - Fuel rail 2 - Fuel
supply pipe 3 - High pressure fuel pump
4 - Fuel pump drive cam 5 - Vacuum pump 6 -
Fuel pump support
7 - Gasket support of the fuel pump 8 - Noise-
insulating casing of the fuel pump
Machine Translated by Google

Table of Contents