EasyManua.ls Logo

HM Electronics EOS HD - Block Diagram

Default Icon
127 pages
Print Icon
To Next Page IconTo Next Page
To Next Page IconTo Next Page
To Previous Page IconTo Previous Page
To Previous Page IconTo Previous Page
Loading...
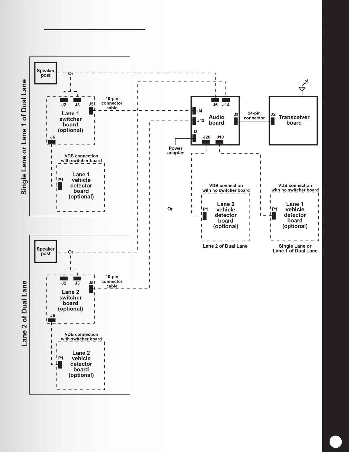
BLOCK DIAGRAM
99
12. BLOCK DIAGRAM
Figure 28. Typical EOS | HD Base Station block diagram