EasyManua.ls Logo

Honda BF15D - Page 202

Honda BF15D
398 pages
Print Icon
To Next Page IconTo Next Page
To Next Page IconTo Next Page
To Previous Page IconTo Previous Page
To Previous Page IconTo Previous Page
Loading...
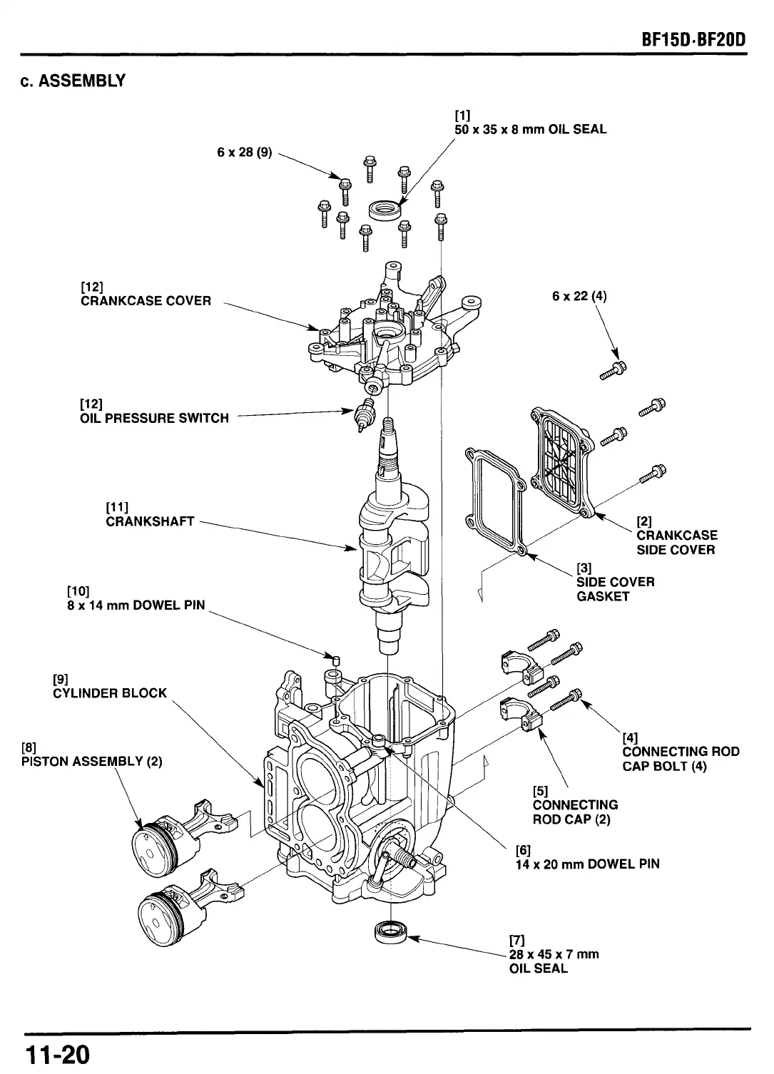
c.
ASSEMBLY
11
1
50
x
35
x
8
mm
OIL
SEAL
?
6x22!
CRANKCASE
SIDE
COVER
r/
'\PI
SIDE
COVER
B
GASKET
6
x
28
(9)
11 21
CRANKCASE
COVER
A
11 21
OIL
PRESSURE
SWITCH
11 01
8x14
191
CYLINDER
BLOCK
181
PISTON
ASSEMBLY
(2)
\
\
'7
I
141
CONNECTING
ROD
CAP
(2)
i4
x
20
mm
DOWEL
PIN
171
28
x
45
x
7
mm
OIL
SEAL
ROD
11-20

Table of Contents

Other manuals for Honda BF15D

Related product manuals