EasyManua.ls Logo

HP 8559A - 8-133

HP 8559A
441 pages
Print Icon
To Next Page IconTo Next Page
To Next Page IconTo Next Page
To Previous Page IconTo Previous Page
To Previous Page IconTo Previous Page
Loading...
MODEL 8559A
SERVICE
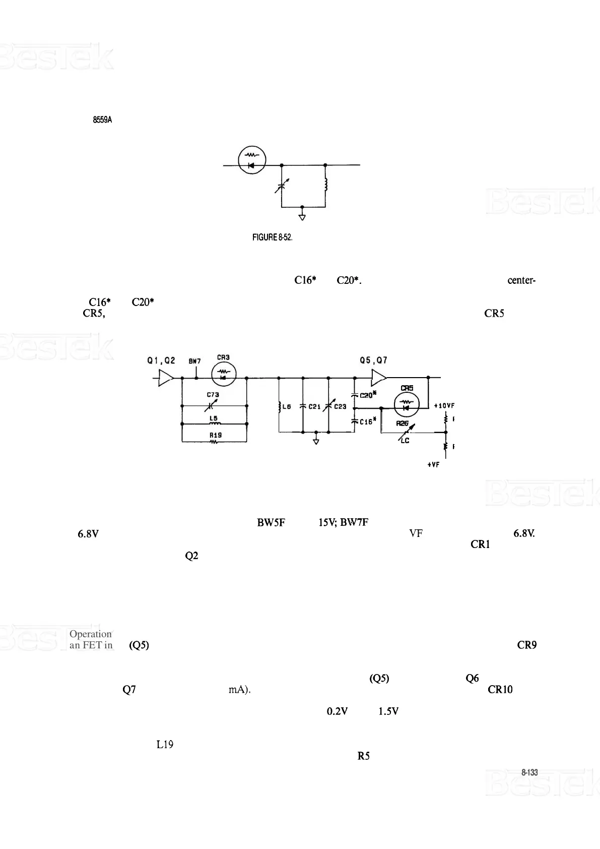
FIGURE8-52. LC POLE MODEL
A simplified schematic of the first LC pole is shown in Figure 8
-
53. The fundamental frequency-determining
components are L6 and the center
-
tapped capacitance C16* and C20*. Positive feedback is applied to the center-
tap at 21.4
MHz
to compensate for losses in the tank circuit. The application of feedback makes it important
that
C16* and C20* be about the same value for proper pole operation. The level of the feedback is controlled
by
CR5, acting as a variable resistance. LC feedback control R26 establishes the current through CR5 and its
resistance.
1C8't23
+/
ci6*
R25
(FEEDBACK) R24
tVF BIAS
FIGURE
8
-
53.
FIRST LC POLE, SIMPLIFIED SCHEMATIC
When an LC filtered bandwidth is selected, BW5F is at
+
15V; BW7F is at a voltage greater than or equal to
+
6.8V and supplies bandwidth-determining bias current to CR3. Supply line
+
VF
BIAS is always at
+
6.8V
Control line BWSF reverse biases CR8 (block B), disabling the crystal pole, and forward biases CR1 (block B),
opening the dc bias path to
42 (see Figure 8-47). During LC operation, CR6 is reverse biased, keeping C28 out
of the circuit. When a crystal filtered bandwidth is selected, BWSF forward biases CR6 and allows C28 to
ground the signal path.
Unity Gain Buffer Amplifier
(E)
Operation of the Unity Gain Buffer Amplifier is similar to the 10 dB Input Buffer Amplifier, except that it has
an FET input
(Q5) and unity gain. The input signal path is activated by the BWSF line, which switches on CR9
(during LC mode) or CR8 (during crystal mode).
When the crystal mode is selected, the current through the input FET
(Q5) is determined by 46 and constant
current sink
47 (which sinks about 4
mA).
During LC mode, current is supplied through R37 and CRlO from
BWSE The input FET current is a good indication of the stage's operation and can be monitored by measuring
the gate-to-source voltage. This voltage should be between
+
0.2V and
+
1.W (an increase in current decreases
the voltage).
Capacitor C68 and
L19
form a feedback circuit that tunes
Q7
to
21.4
MHz.
Trimmer Resistor R31 (XTL
FEEDBACK) adjusts the feedback and controls the stage gain as did
R5 and R6 in block B.

Table of Contents

Related product manuals