EasyManua.ls Logo

Huawei PV+ESS+Charger Solution - Page 42

Huawei PV+ESS+Charger Solution
85 pages
Print Icon
To Next Page IconTo Next Page
To Next Page IconTo Next Page
To Previous Page IconTo Previous Page
To Previous Page IconTo Previous Page
Loading...
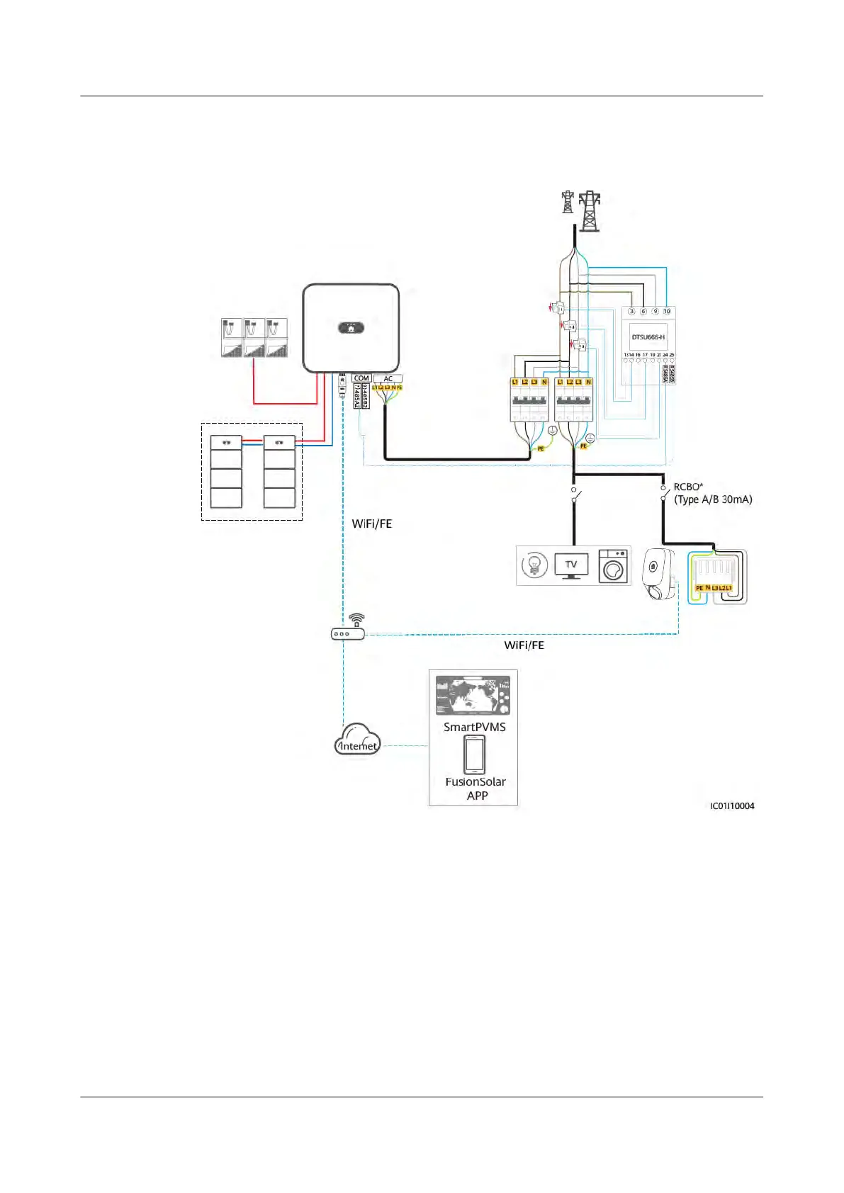
PV+Charger/PV+ESS+Charger (RS485 meter & WLAN/FE Smart Dongle)
Figur
e 3-4 PV+Charger/PV+ESS+Charger (RS485 meter & WLAN/FE Smart Dongle)
PV+ESS+Charger Solution
User Manual 3 Solution Wiring
Issue 02 (2023-01-13) Copyright © Huawei Technologies Co., Ltd. 36

Related product manuals