EasyManua.ls Logo

Huawei PV+ESS+Charger Solution - Page 43

Huawei PV+ESS+Charger Solution
85 pages
Print Icon
To Next Page IconTo Next Page
To Next Page IconTo Next Page
To Previous Page IconTo Previous Page
To Previous Page IconTo Previous Page
Loading...
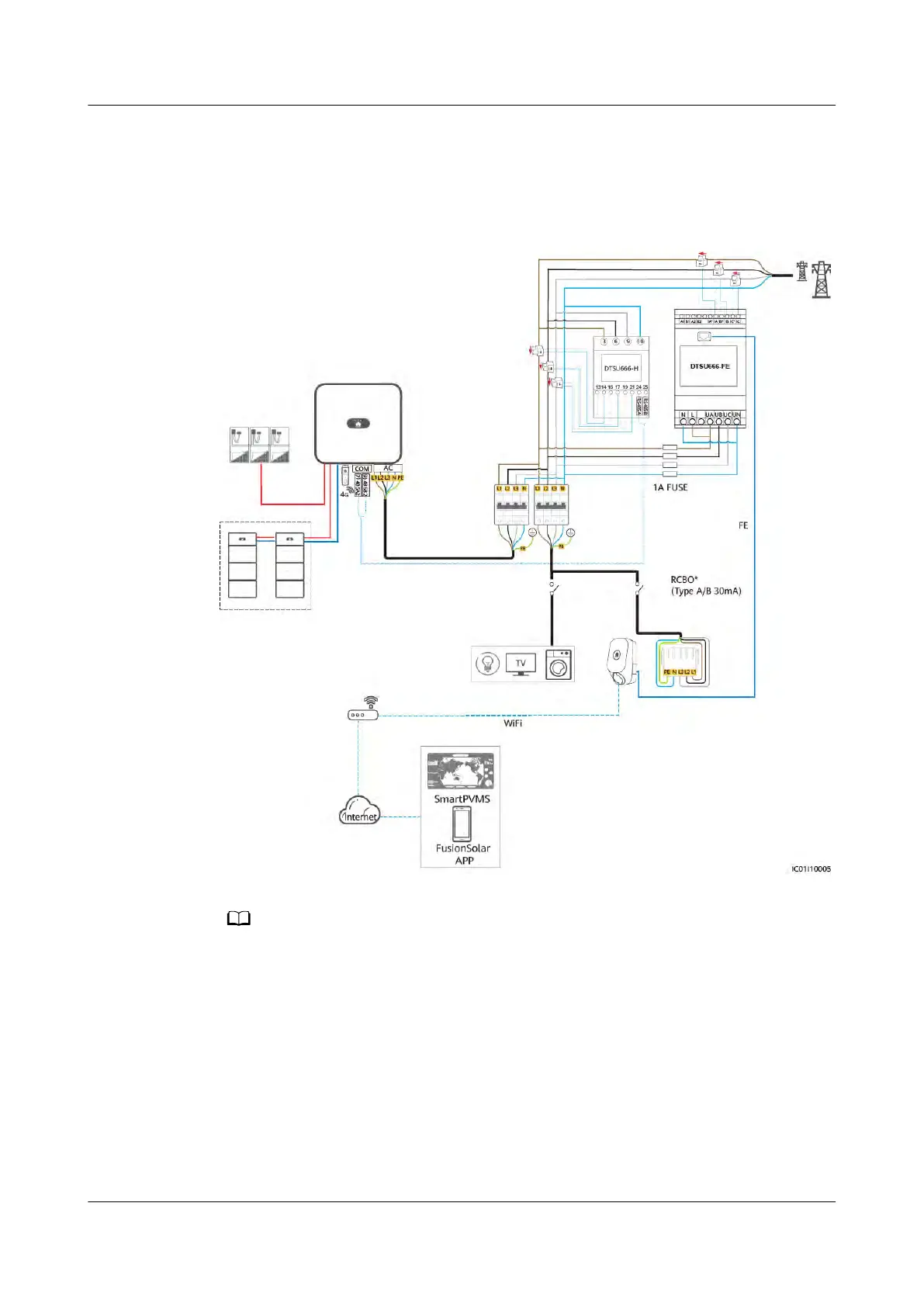
PV+Charger/PV+ESS+Charger (RS485 meter & FE meter & non-WLAN/FE
Smart Dongle)
Figur
e 3-5 PV+Charger/PV+ESS+Charger (RS485 meter & FE meter & non-
WLAN/FE Smart Dongle)
NO TE
When the three-phase charger is switched to single-phase charging, the L1 phase is used
f
or power supply. To ensure that the single-phase and three-phase switching does not aect
the load of the single-phase wire, it is recommended that the L1 phase of the charger be
c
onnected to the phase wire with the minimum load. The wiring of the meter should the
same as that of the charger.
PV+ESS+Charger Solution
User Manual 3 Solution Wiring
Issue 02 (2023-01-13) Copyright © Huawei Technologies Co., Ltd. 37

Related product manuals