EasyManua.ls Logo

Hyd-Mech V-18 - Hm5 Gear Box Assembly

Hyd-Mech V-18
117 pages
Print Icon
To Next Page IconTo Next Page
To Next Page IconTo Next Page
To Previous Page IconTo Previous Page
To Previous Page IconTo Previous Page
Loading...
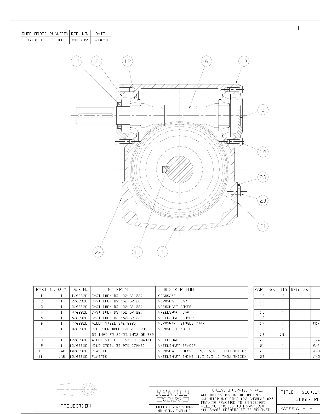
Pg 6.13 V18
HM5 gear box assembly

Table of Contents

Related product manuals