EasyManua.ls Logo

HygroMatik Basic-DS - 15 Wiring Diagram

HygroMatik Basic-DS
98 pages
Print Icon
To Next Page IconTo Next Page
To Next Page IconTo Next Page
To Previous Page IconTo Previous Page
To Previous Page IconTo Previous Page
Loading...
SPA
Page 86
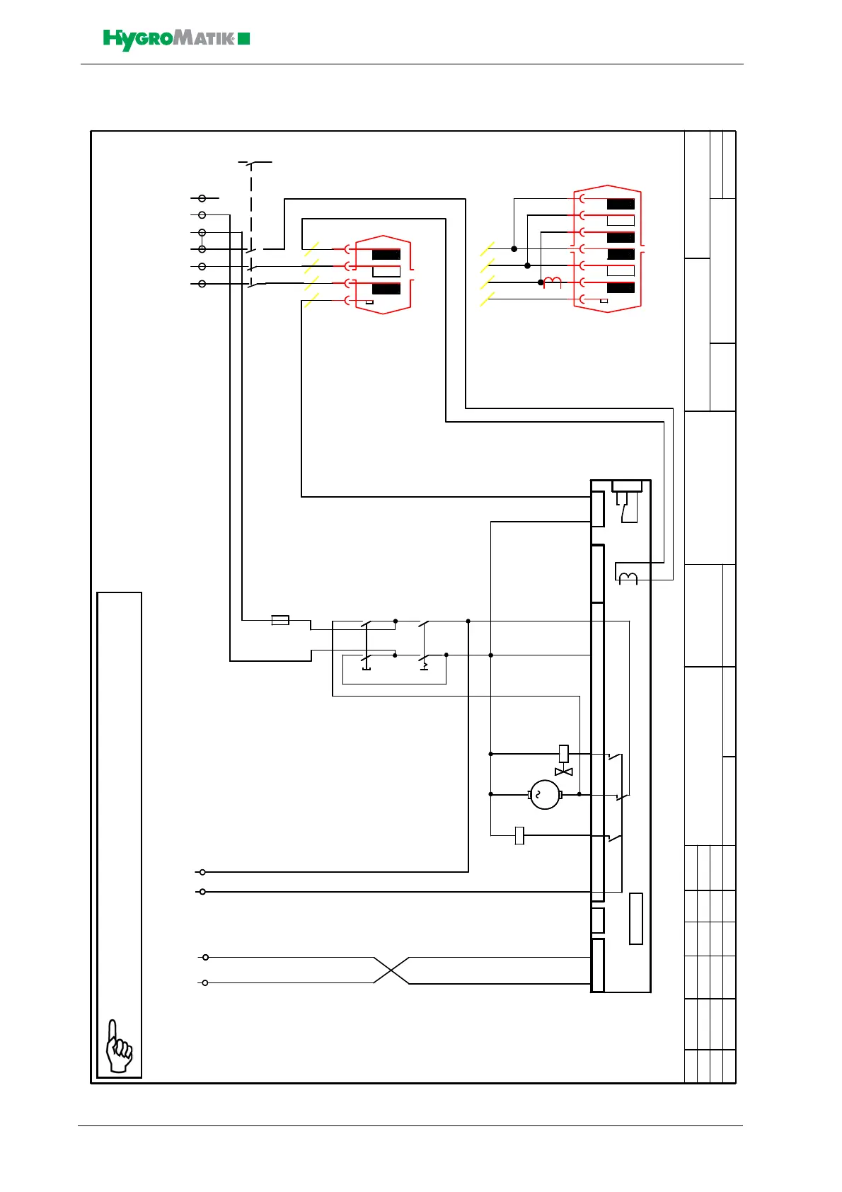
15. Wiring Diagram
Änderung Datum Name
Bearb.
Gepr.
Norm
Datum
Urspr. Ers.dErs.fZust.
Blatt 1
von 1 Bl.
(Zeichnung Nr.)(Benennung)
(Datei)
Hy05-45,C06-58 BDS,CDS,CPDS
S-043100
S-043100D.001
HYGROMATIK
Lise-Meitner-Str. 3
D-24558 Henstedt-Ulzburg
Germany
Telefax
+49-(0)4193 / 895 - 33
Phone
+49-(0)4193 / 895 - 0
Lue 16.08.04
Lue
6
7
X1
2 1
Y1
M
M1
S1b
S1a
K1
HY05-17
C06-17
B1 L1 L2 L3
1,6A
F1
c
14.07.05
BDS
d
04.10.05
S1a+b
K1
1
2
3
4
5
6
X1
L1 L2 L3 L3 N PE
7
8
Standard 400/3/N/50-60Hz
input temerature sensor
Eingang Temperaturfühler
Meldung
Befeuchten
signal
humidifing
ST7
ST5
17
18
7
6
29 3028
ST2
15
42
4
3
5
2
9
10 11
16
13 12
Basis Platine/ basic electronic
ST1
ST3
B3
Sockel / socket
ST4
B3
Stromwandler
current transducer
B1 L3 L2 L1 L3 L2 L1
Hy23-45
C-30-58
Interlock system or On-Off-Remote Control or Bridge
Sicherheitskette
oder An-Aus-Fernschalter oder Brücke
e Beschrift. 1+2 03.11.09 Kb
br sw
Note: The steam generator is only operationable if the contact
across terminal 1 and 2 (the safety interlock) is closed.

Table of Contents

Related product manuals