EasyManua.ls Logo

HygroMatik Basic-DS - Page 90

HygroMatik Basic-DS
98 pages
Print Icon
To Next Page IconTo Next Page
To Next Page IconTo Next Page
To Previous Page IconTo Previous Page
To Previous Page IconTo Previous Page
Loading...
SPA
Page 90
Urspr. Ers.dErs.f
Blatt 1
von 1 Bl.
(Zeichnung Nr.)(Benennung)
(Datei)
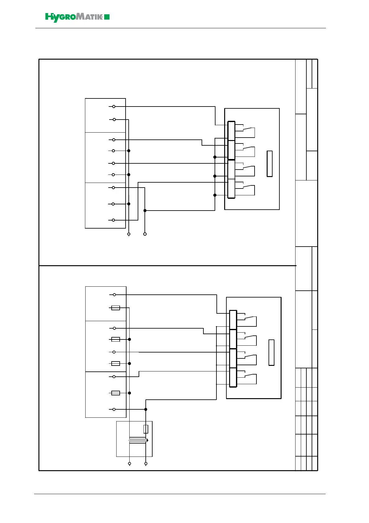
Relais-Platine
für Dampfbadoption 24V + 230V
S-043200
S-043200B.001
HYGROMATIK
Lise-Meitner-Str. 3
D-24558 Henstedt-Ulzburg
Germany
Telefax
+49-(0)4193 / 895 - 33
Phone
+49-(0)4193 / 895 - 0
Änderung Datum Name
Bearb.
Gepr.
Norm
Datum
Zust.
a
08.03.04
Freigabe
Lue 16.08.04
Lue
13
Duftstoffgeber
essence
24V
9
Licht
light
24V
15
Ablüfter
exhaust fan
24V
11
Zulüfter
fan
24V
12
1,6A
F4
10
1,6A
F5
10
1,6A
OPTION
24V
F6
14
230V 24V
T1
2,5A
F3
8
1
N
OPTION
230V
17
230V
Licht
45
Ablüfter
21
22
44
Duftstoffgeber
essence
lightexhaust fan
Zulüfter
fan
N
1
230V
230V
18
19
20 20
5A
F2
b
12.01.05
Bezeichnung
Relais Platine/ relay board
333231 363534
393837 424140
Sockel / socket RP
E6 E7
E8 E9
Relais Platine/ relay board
333231 363534
393837 424140
Sockel / socket RP
E6 E7
E8 E9
Lue

Table of Contents

Related product manuals