EasyManua.ls Logo

IBM 5150 - Page 335

IBM 5150
393 pages
Print Icon
To Next Page IconTo Next Page
To Next Page IconTo Next Page
To Previous Page IconTo Previous Page
To Previous Page IconTo Previous Page
Loading...
--
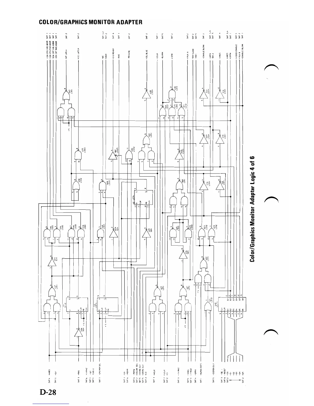
COLOR/GRAPHICS
MONITOR
ADAPTER
,:: -
""
'"
-
~ ~
~ ~
3
~
~
~
i
~
~~~
-
4~Lt
, "
"~
I
~Y'I
!,
.
",'
J"
'I
c-f[
~
, ;
,I
~
,}t~
..
CD
....
CL
~
~
.
~o!=8'
J!1'l;
-
,[,
~~
fl~
,,"
..
o
....
'c
o
:IE
.
"'-,
c),.
I~
~~
lY
"N"
I
c'
I
·1,
..
.
L'
liT
~~
,~U,:~
1'.
'"
II
'
,I
,,,,,
m
'UI:~
=
~
X:
(5
( ,
{:o:":"'-':
'/:
II I
',',C
I
'
(1
,
-+f
~t~
:'1
-
""I;'
- LciiiB
~
Ll:"
:I
,J'i
-
}:
'"
D-28

Table of Contents

Other manuals for IBM 5150

Related product manuals