EasyManua.ls Logo

IBM 5150 - Page 343

IBM 5150
393 pages
Print Icon
To Next Page IconTo Next Page
To Next Page IconTo Next Page
To Previous Page IconTo Previous Page
To Previous Page IconTo Previous Page
Loading...
+AEN
U'I
AND
,
GATE
-ENABLE
DRIVE
lilt
~
t:l
,
.
.,
+
ENABLE
DRIVE
lilt
~
~
."
,
.
.,
C
0'1
,
I
I
."
-,--
en
"7
,-
+A8
-,---
;:0::
DRIVE
SELECT
It
..,
=+91,
m
't
7418-~
16
-of
1'tLS2B
-DRIVE
SELECT
l
-of
74LSlQU26
'
~
m
DO
2
L_-.Ju"
C
"'
'
:::D
~;
~
<:
Q4
I'>
m
~
:~
-DRIVE
SELECT
2
l>
C
l>
-ORIVESElECT
I
u"
~
m
+RESET
MOTOR
ENABLE
I
:::D
----,
MOTOR
ENABLE
2
-MOTOAENA6LE l
"
-
DACK
DAOK
+DA(K&TC
TC
'5T
-MOTOR
ENABLE
4
QO
18
'00
DO
00
QI
11
"
>0,
01
01
'02
L_~u"
,
02
Q2
Ib
D2
."
5
b
"
04
Q~
:~
"-----
."
Q4
n "
.0<
"
,
Db
~~
12
'Db
'"
Db
"
'07
9 07
QJ
07
INT
----,
+JRQb
Iq
GT
-=iN-
DIR
IOIR
t=OUT-}
U28
.AI
CS
"0
AO
-
lOW
t
DMAGATE
W,
DR
.-
UPQ76'>
Ub
CONTINUED ON
+DRQ2
SHEET
"
02
-lOR
_____
7
"
NO
eL'
L"
+ 2
MHZ
U"
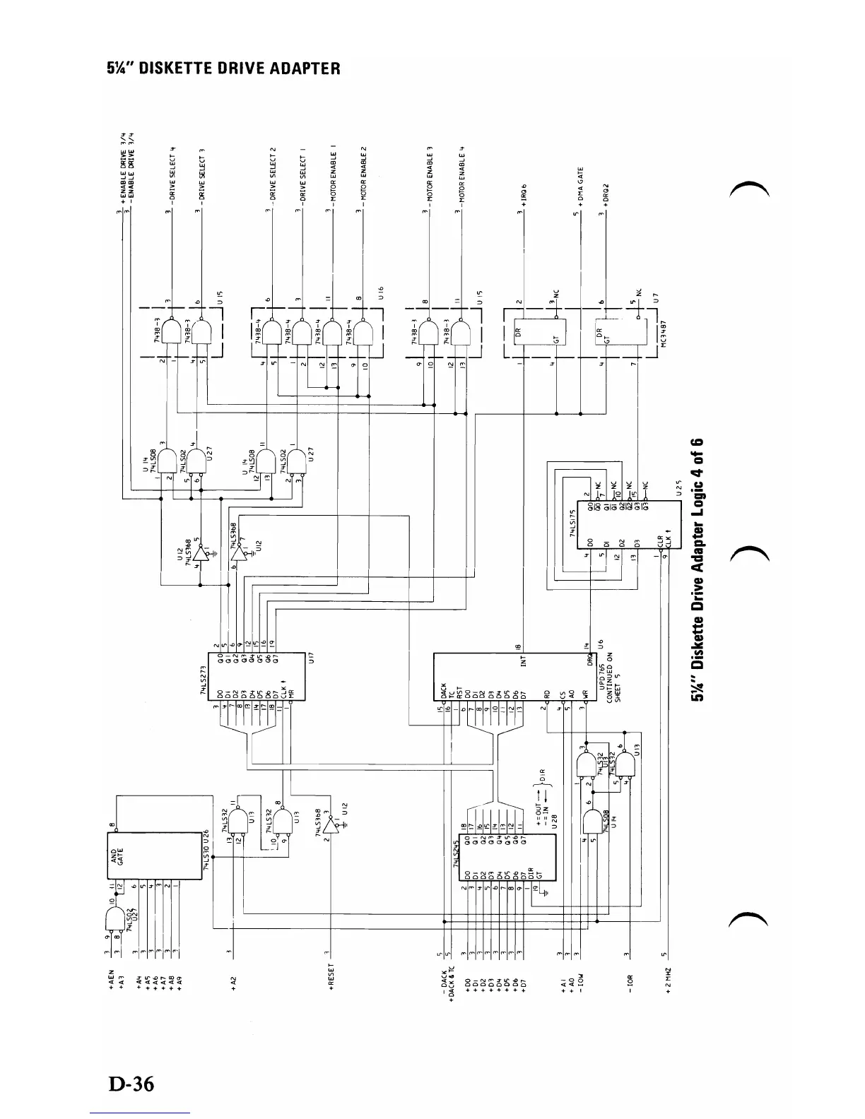
5~"
Diskette
Drive
Adapter
Logic
4
of
6
)
)
)

Table of Contents

Other manuals for IBM 5150

Related product manuals