EasyManua.ls Logo

IBM 7090 - Page 83

IBM 7090
190 pages
Print Icon
To Next Page IconTo Next Page
To Next Page IconTo Next Page
To Previous Page IconTo Previous Page
To Previous Page IconTo Previous Page
Loading...
,
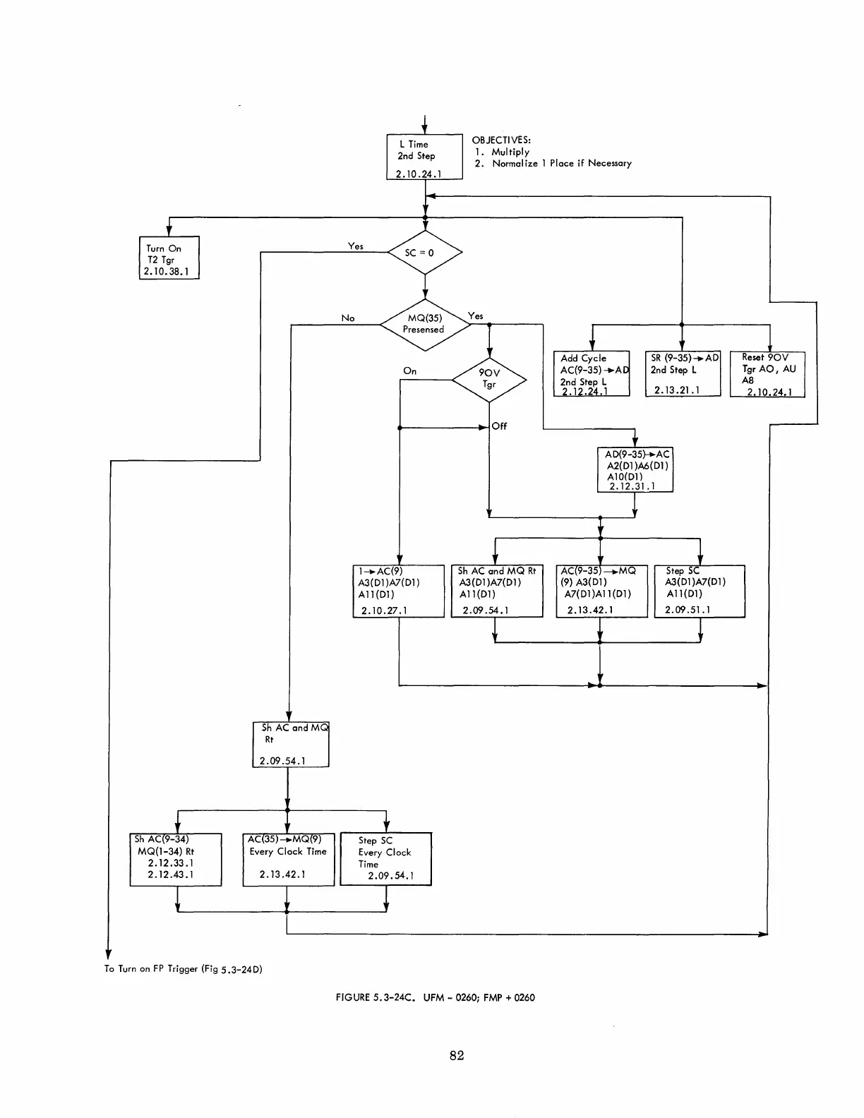
Turn
On
T2
Tgr
2.10.3S.1
Sh
AC(9-34)
MQ(I-34)
Rt
2.12.33.1
2.12.43.1
1
Sh
AC
and MG
Rt
2.09.54.1
AC(35)_MQ(9)
Every Clock
Time
2.13.42.1
To
Turn
on
FP
Trigger (Fig
5.3-24D)
OBJECTIVES:
1.
Multiply
L
Time
2nd Step
2.
Normal ize 1 Place if Necessary
2.10.24.1
Yes
SC
= 0
No
MQ(35)
Yes
P,.,.".d
/'
1
.--o_n
__
-<<::>
t-----
__
-~Off
1-AC(9)
A3(DI )A7(Dl)
All
(Dl)
2.10.27.1
Step
SC
Every Clock
Time
2.09.54.1
Sh
AC
and
MQ
Rt
A3(Dl)A7(Dl)
AIl(Dl)
2.09.54.1
FIGURE
5.3-24C.
UFM
- 0260;
FMP
+ 0260
82
Add
Cycle
AC(9-35)
....
AD
2nd Step L
2.12.24.1
SR
(9-35) ....
AD
2nd Step L
2.13.21.1
AD(9-35)-+AC
A2(DI
)A6(Dl)
Al0(Dl)
2.12.31.1
AC(9-35
_MQ
(9) A3(Dl)
A7(DI
)All
(Dl)
2.13.42.1
IF
IF
Step
SC
A3(DI )A7(Dl)
AIl(Dl)
2.09.51.1
Reset
90V
Tgr
AO,
AU
AS
2.10.24.1

Table of Contents