EasyManua.ls Logo

IBM 7090 - Page 88

IBM 7090
190 pages
Print Icon
To Next Page IconTo Next Page
To Next Page IconTo Next Page
To Previous Page IconTo Previous Page
To Previous Page IconTo Previous Page
Loading...
FP
Shift
Rt
El0 (01)
2.13.42.1
SR(9-35)+AO
AO
(03)
2.13.21.1
~
1
I
Time
Pri
Op 24
E
Time
33
-SC
E3
8
(01)
2.11.78.1
Reset
MQ
(S,
1-35) E6(01)
2.13.95.1
SB-SR
E7
01
2.12.50.1
Sh
AC
(9-34)
Rt
El0(01)
2.12.33.1
L
Time
1st Step
2.10.41.1
Comp
AC(9-35)
-.AO
AO
(03)
2.13.22.1
Turn
On
FP
Tgr
A3(01)
2
10.29.1
OBJECTIVES:
1.
33
8
to Shift Counter
2.
Divisor to
SR
3.
Prepare for Divide Cheek
Test
by
Halving
AC
Frae
(Divisor Char and Fraction
now
in
SR)
Sh
MQ
(1-34)
Rt
El0
(01)
2.12.43.1
OBJECTIVES:
AC(35)
-MQ
(9)
ElO
(01)
2.13.42.1
1.
~ivide
Cheek Test
2.
Set
MQ
Sign
3.
End
Op if
AC
Frae Equal s Zero
4.
Char Oiff to
AC
if
FP
Tgr
is
on
I
yeS~dder
, 9 Carry
.~
No
/T
urn
o~
No
(AC
>
SR)
<.....
Sol 9
Carry;>
2.10.37.1
Turn
On
T2
Tgr
A3
(01)
2.10.38.1
Turn
on
~ivide
Chk
Tgr
A3(01)
and
Tl
Tgr
2.10.53.1
L-
____
~
______________________________
~
FP
Shift
Lt
A3(01)
2.13.42.1
SR
and
AC
Signs
Unlike
Set MQ(s)
Minus A3(01)
2.13.91.1
Sh
AC(lo-35)
Lt
A3(01)
2.12.34.1
-
Sh
M~(2-35)
Lt
A3(01)
2.12.42.1
Alike
MQ(9)-AC
(35)
A3
(01)
2.13.42.1
+
SR(I-8)
-AD
Comp
AC
(Q-35)
Carry-
AD
~
M (03)
AD
M(03)
(35)
M(03)
9 Carry
2.13.21.1
2.13.22.1
2.13.27.1
+
(Partial Char
Oiffi
Quotient
Overflow or
Underflow
is
Possible)
+
Yes
Turn
on
Col
9 Carry
Tgr
2.10.37.1
~
P
Off
Trigger
On
AD(Q-8)+AC
A6
(01)
2.13.31.1
To
Fig
5.3-26B
I
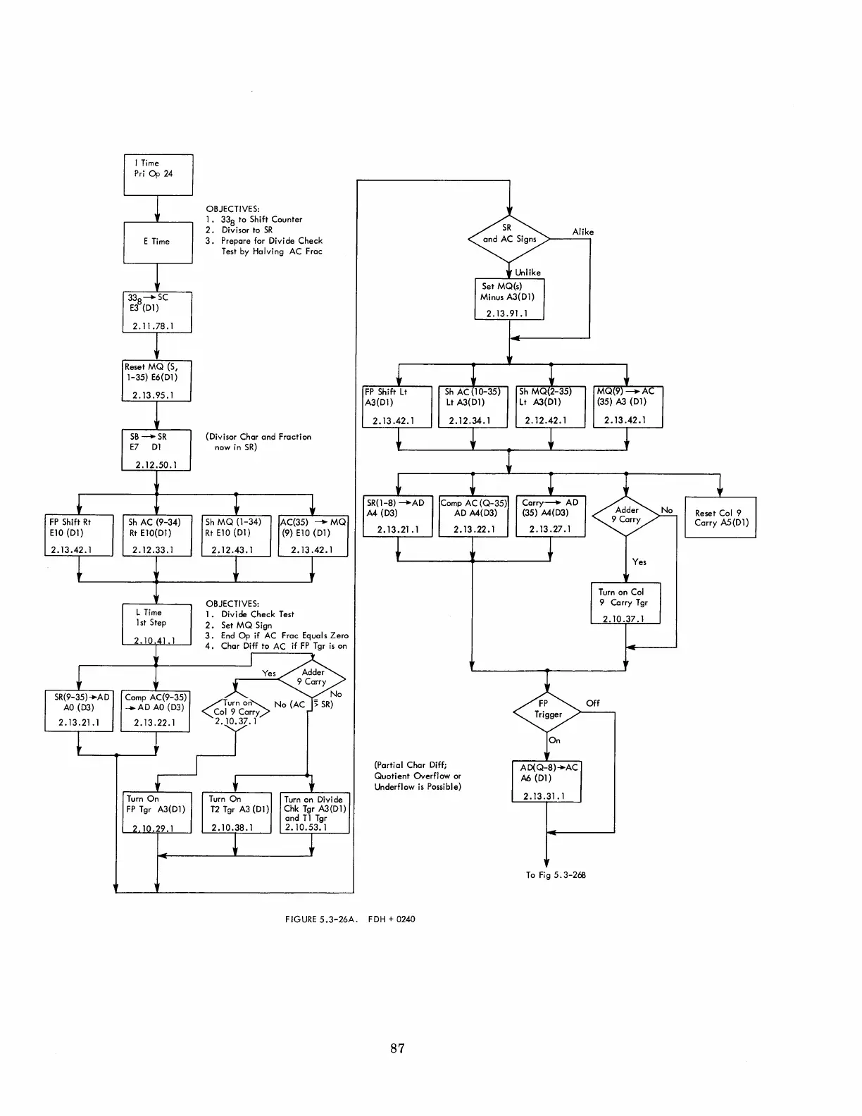
FIGURE
5.3-26A.
FOH
+ 0240
87
~
Reset Col 9
Carry
AS
(01 )

Table of Contents