EasyManua.ls Logo

IBM 7090 - Page 89

IBM 7090
190 pages
Print Icon
To Next Page IconTo Next Page
To Next Page IconTo Next Page
To Previous Page IconTo Previous Page
To Previous Page IconTo Previous Page
Loading...
SR
(9-35)-
ADM(OO)
2.13.21.1
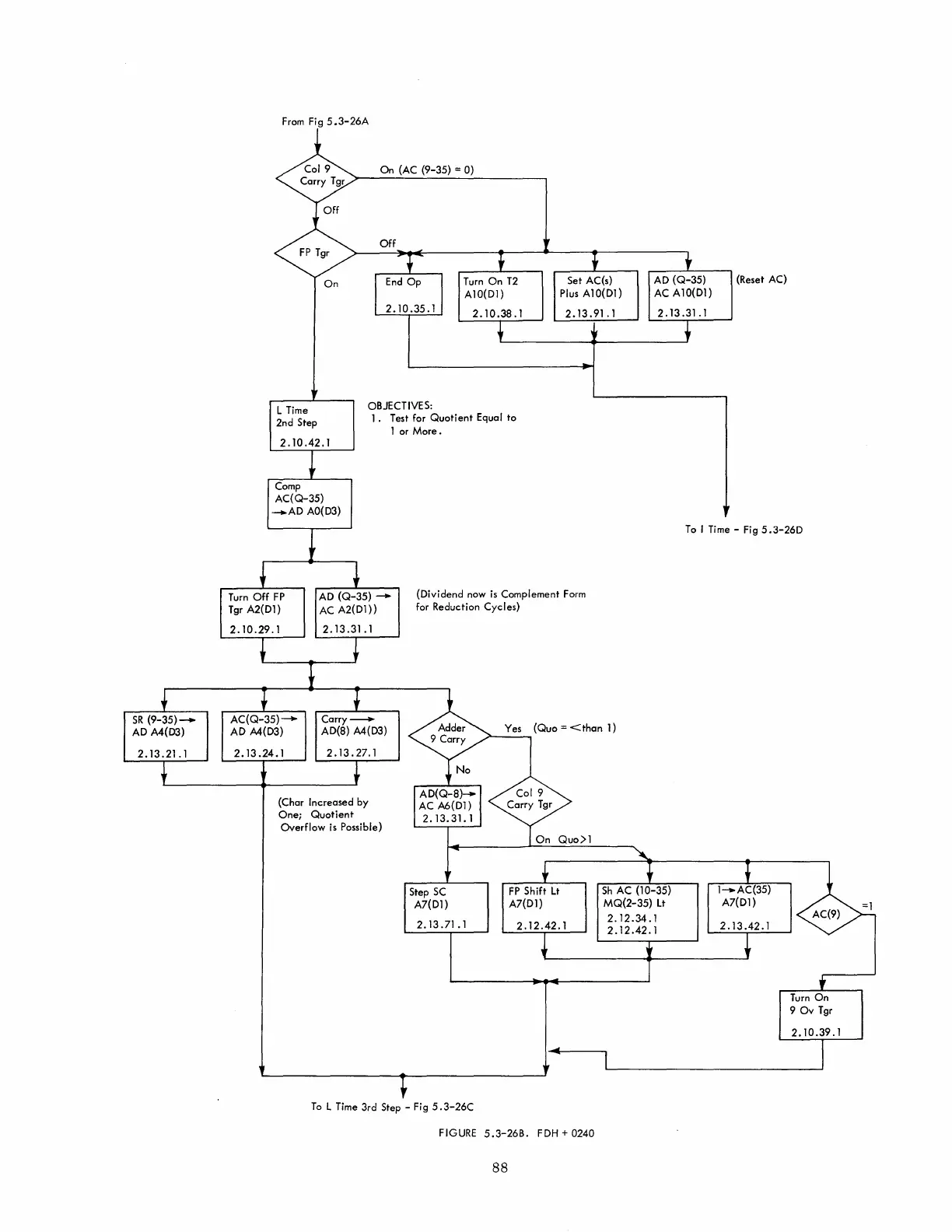
From
Fig
5.3-26A
On
(AC
(9-35) = 0)
Turn
On
T2
A10(Dl)
2.10.3S.1
L
Time
OBJECTIVES:
2nd Step
2.10.42.1
Comp
AC(Q-35)
_AD
AO(D3)
1.
Test for
Quotient
Equal to
lor
More.
Set AC(s)
Plus A 1 O(Dl)
2.13.91.1
AD
(Q-35)
AC
A10(D1)
2.13.31.1
(Reset
AC)
To
I
Time
-
Fig
5.3-26D
Turn
Off
FP
Tgr
A2(D1)
2.10.29.1
AC(Q-35)-
AD
A4(D3)
2.13.24.1
AD
(Q-35)-
AC
A2(Dl))
2.13.31.1
Carry-
AD(S) M(OO)
2.13.27.1
(Char Increased by
One;
Quotient
Overflow is Possible)
(Dividend
now
is
Complement
Form
for Reduction Cycles)
Step
SC
A7(D1)
2.13.71.1
FP
Shift
Lt
A7(Dl)
2.12.42.1
To
L
Time
3rd Step -
Fig
5.3-26C
FIGURE
5.3-26B.
FDH
+ 0240
88
Sh
AC
(10-35)
MQ(2-35)
Lt
2.12.34.1
2.12.42.1
Turn
On
9 Ov
Tgr
2.10.39.1

Table of Contents