EasyManua.ls Logo

Icom GM600 - Page 116

Icom GM600
124 pages
Print Icon
To Next Page IconTo Next Page
To Next Page IconTo Next Page
To Previous Page IconTo Previous Page
To Previous Page IconTo Previous Page
Loading...
110
14
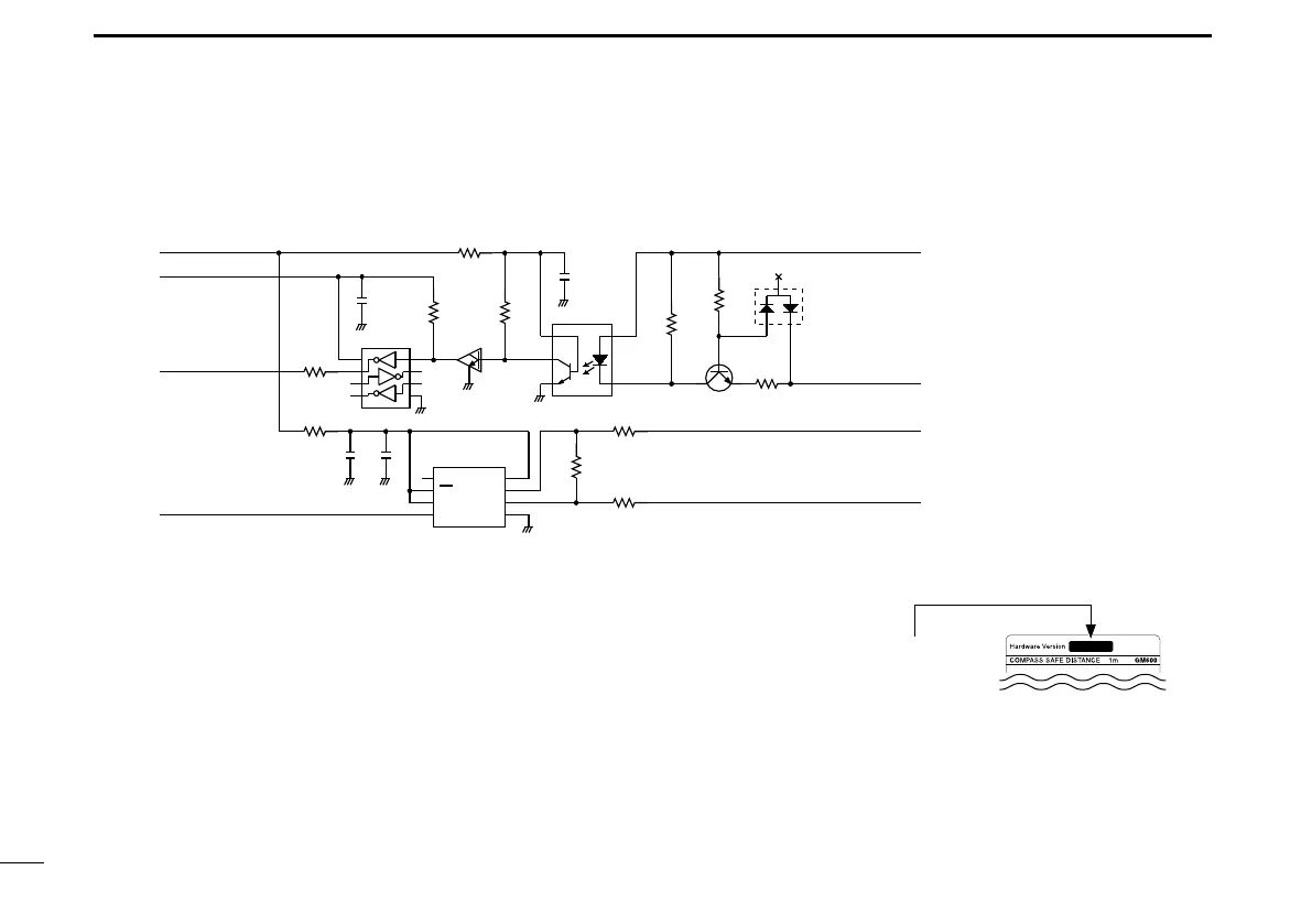
DIGITAL INTERFACE (IEC61162-1)
Schematic diagram
D IEC61162-1/BAM In/Out lines
Hardware version
The transceiverʼs hardware version is described on the serial number label,
as shown to the right.
10
ISL8483EIBZ
1
RO
2
RE
3
DE
4
DI
5
GND
6
A/Y
7
B/Z
8
VCC
47k
0.01
1
10
TC7WU04FU
1
2
3
4
5
6
7
8
TLP2303
LDTC143ZE
KDS122
4.7k
1
0.1
560
100k
270
0.1
100
2SC4213
3.9k
1
IEC61162-1/BAM_OUTPUT
IEC61162-1/BAM_INPUT-
IEC61162-1/BAM_OUTPUT-
IEC61162-1/BAM_OUTPUT+
IEC61162-1/BAM_INPUT
5V
IEC61162-1/BAM_INPUT+
3.3V
Software version
You can conrm the transceiverʼs software version in the Menu screen.
See page 91 for details.
The input circuit is electricaly isolated by the TPL2303.
Serial number label
Hardware version
is described here.

Table of Contents

Other manuals for Icom GM600

Related product manuals