EasyManua.ls Logo

Icom ic-2730A - Voltage Block Diagram

Icom ic-2730A
55 pages
Print Icon
To Next Page IconTo Next Page
To Next Page IconTo Next Page
To Previous Page IconTo Previous Page
To Previous Page IconTo Previous Page
Loading...
4-8
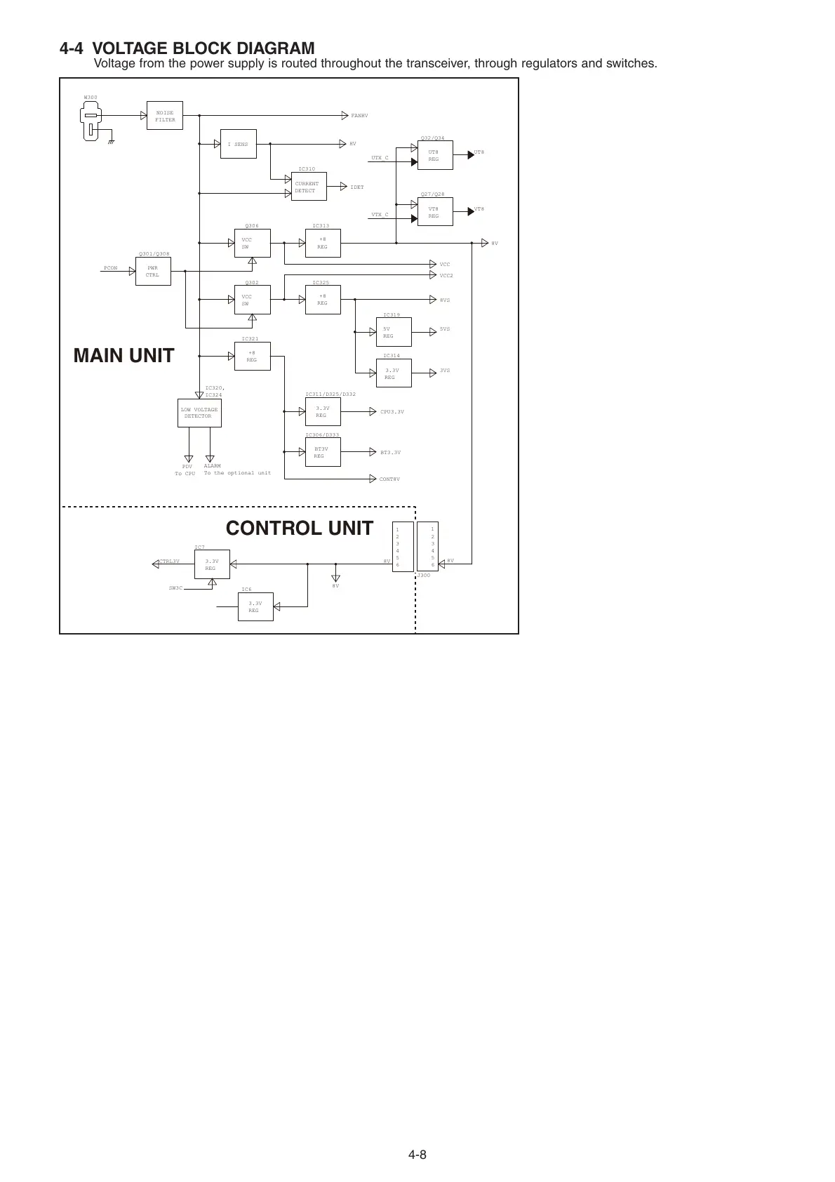
4-4 VOLTAGE BLOCK DIAGRAM
Voltage from the power supply is routed throughout the transceiver, through regulators and switches.
W300
+8
REG
PWR
CTRL
+8
REG
+8
REG
UT8
VCC
SW
CPU3.3V
5V
PCON
REG
REG
3VS
5VS
FANHV
REG
IDET
DETECT
CURRENT
NOISE
FILTER
REG
VT8
REG
3.3V
UTX_C
VTX_C
I SENS
3.3V
8V
BT3.3V
BT3V
REG
UT8
VT8
1
3
5
4
6
2
HV
LOW VOLTAGE
DETECTOR
PDV
ALARM
To the optional unit
To CPU
5
3
6
1
4
2
8V
8V
CONTROL UNIT
MAIN UNIT
IC310
Q306 IC313
Q301/Q308
IC320,
IC324
IC306/D333
IC311/D325/D332
IC314
IC319
Q32/Q34
Q27/Q28
J300
IC6
8V
VCC
Q302
SW
IC325
VCC
VCC2
8VS
IC321
CONT8V
IC7
REG
3.3V
CTRL3V
SW3C
REG
3.3V

Other manuals for Icom ic-2730A

Related product manuals