EasyManua.ls Logo

Immergas AUDAX PRO 4 V2 - 9 Cooling Cycle Diagrams; Audax Pro 4-6 V2 Diagram; Audax Pro 9 V2 Diagram

Immergas AUDAX PRO 4 V2
52 pages
Print Icon
To Next Page IconTo Next Page
To Next Page IconTo Next Page
To Previous Page IconTo Previous Page
To Previous Page IconTo Previous Page
Loading...
53
54
39
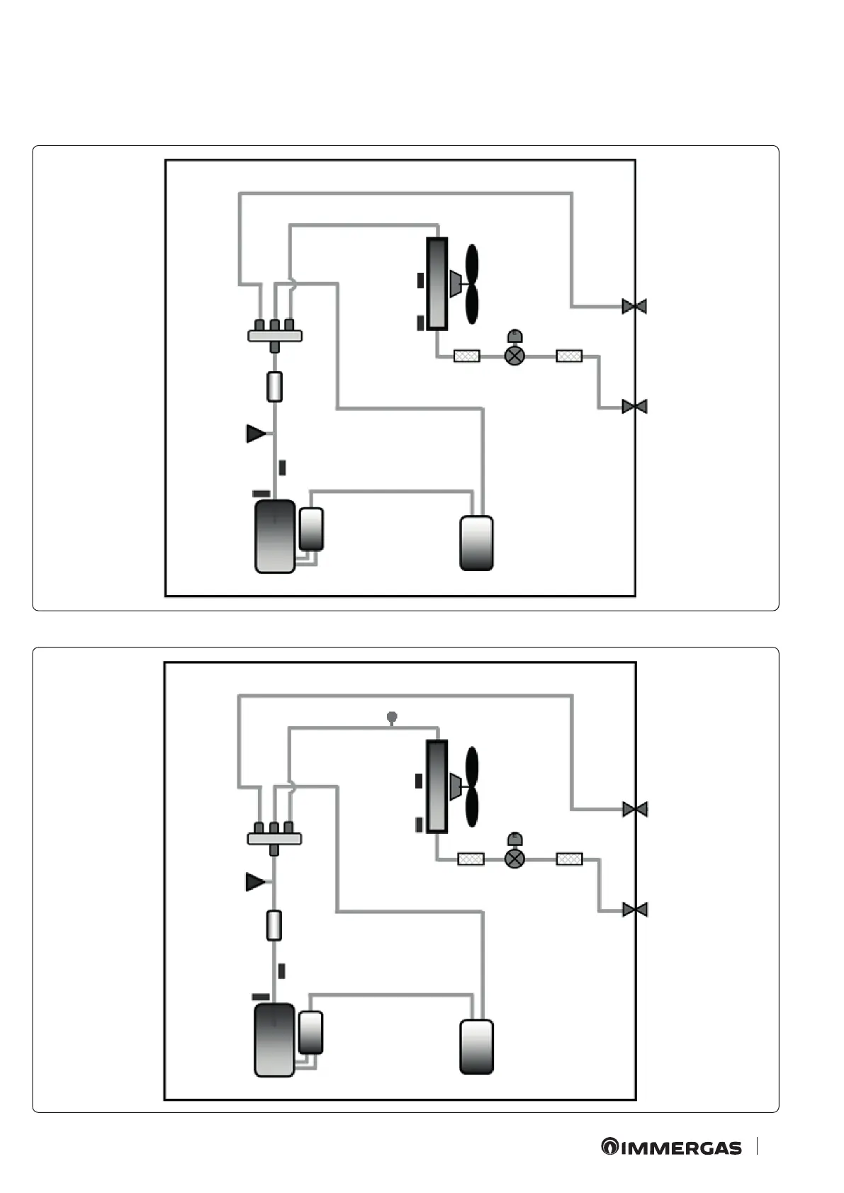
9.1 AUDAX PRO 4-6 V2 DIAGRAM.
9.2 AUDAX PRO 9 V2 DIAGRAM.
9
COOLING CYCLE
DIAGRAMS.
Coil
temperature
sensor
Charging point
Filter
Filter
Filter
Filter
EEV
EEV
Compressor
Compressor
Storage tank
Storage tank
Silencer
Compress.
temp.sensor
Compress.
temp.sensor
Drain temp.
sensor
Drain temp.
sensor
High pressure
switch
High pressure
switch
4-way valve
4-way valve
Outdoor air
temperature
sensor
Outdoor air
temperature
sensor
Coil
temperature
sensor
Silencer

Table of Contents

Related product manuals