EasyManua.ls Logo

International Electronics prox.pad plus - Wiring the Main Relay; Figure 3-6 Electric Strike (Fail Secure) Wiring Diagram

International Electronics prox.pad plus
108 pages
Print Icon
To Next Page IconTo Next Page
To Next Page IconTo Next Page
To Previous Page IconTo Previous Page
To Previous Page IconTo Previous Page
Loading...
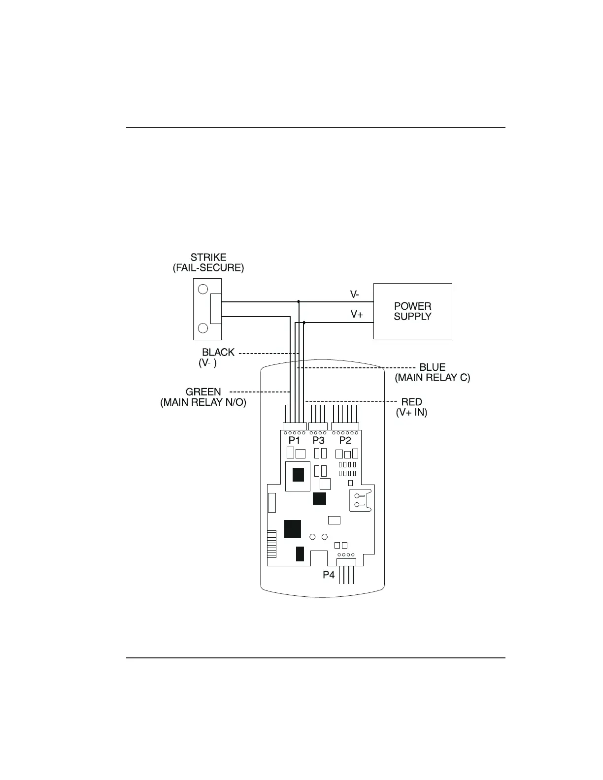
3.1.6 Wiring the Main
Relay
The door lock is wired to connector P1 on the prox.pad
plus main circuit board. Wiring for this 5-pin connector
is described in Table 2-2, Figure 3-6 provides an Electric
Strike (Fail Secure ) wiring diagram, Figure 3-7 a
MagLock (Fail Safe) wiring diagram. Refer to the
power supply recommendations in Table 1-1 if neces-
sary.
P5
Figure 3-6 Electric Strike (Fail Secure) Wiring
Diagram
3.1 Wiring the prox.pad plus Unit Chapter 3: Wiring
prox.pad plus Install/Program. Manual, PPP, D2 3-11

Table of Contents